充电器芯片阿里巴巴店铺 开关电源芯片关注向日葵视频下载安卓网站进入下载官网 向日葵视频官方网站下载收藏向日葵视频下载安卓网站进入下载官网 欢迎进入电源芯片/驱动芯片、MOS、IGBT、二三极管、桥堆等电子元器件代理商--向日葵视频下载安卓网站进入下载官网电子官网
高级搜索

搜索一

搜索二

充电管理IC方案

推荐产品

联系向日葵视频下载安卓网站进入下载官网

开关电源芯片
深圳市向日葵视频下载安卓网站进入下载官网电子科技有限公司

电话:0755-23087599

手机:13808858392

邮箱:dunianhua@leweitech.com

地址:深圳市宝安区西乡鹤洲恒丰工业城B11栋5楼东

prevnext

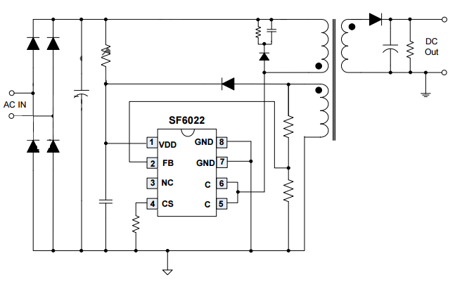
SF6022_电池充电器、适配器IC SF6022

所属分类:SF/赛威芯片
品牌:赛威
型号:SF6022
封装:SOP8
功率:5W
电流:
订购热线:0755-23087599
SF6022产品描述:
SF6022是一种精度高、高度集成DCM(不连续导电模式)主面监管(PSR)电源开关离线小功率转换器的应用程序。它有内置的电源是机器它可以进一步降低系统成本。
SF6022内置的专有NC-Cap简历控制/ PSR-IITM控制消除外部补偿和滤波电容器。它有内置电缆下降补偿函数它可以提供优秀的简历的性能。IC使用多模式控制来提高效率和可靠性并降低音频噪声能量@轻载荷。
SF6022专有的“音频降噪控制集成音频噪声自由操作。集成电路内置的“快速动态响应”控制来满足USB充电的需求。SF6022还集成了专有的“零输出启动”控制来实现近零电压启动时输出。IC的专有的“智能输出短的保护”它可以保护你的系统输出短路时大漏电感。
FB短保护SF6022集成功能和保护欠压锁定(UVLO)VDD过压保护(VDD OVP)软启动逐周期限流((OCP)针浮保护VDD夹紧。
SF6022 SOP8封装。
 
SF6022产品特点:
内置的700 v电源是机器
Propreietary“音频降噪”控制
Bulti-in“快速动态响应”控制来满足USB充电的需求
专有的“智能输出短保护”不需要外部补偿/过滤能力。
CC和简历精度±4%
专有的“零输出启动”控制
专有的“智能输出短保护”
没有外部补偿/滤波电容器
马克斯。50 v输出AC / DC LED照明
低成本是直接驱动
专用电缆下降补偿
11.7 v UVLO滞后窗口

典型应用图
yle="width: 647px; height: 401px;" />



 
 
 
产品中心 关于向日葵视频下载安卓网站进入下载官网 联系向日葵视频下载安卓网站进入下载官网
网站地图