全部产品分类
集成电路IC
场效应管/MOS/IGBT
向日葵视频色版下载软件安装
- 整流向日葵视频色版下载软件安装
- 开关向日葵视频色版下载软件安装
- TVS向日葵视频色版下载软件安装
- 肖特基向日葵视频色版下载软件安装
- 快速恢复向日葵视频色版下载软件安装
- 整流桥向日葵视频色版下载软件安装
三极管
推荐产品
联系向日葵视频下载安卓网站进入下载官网
深圳市向日葵视频下载安卓网站进入下载官网电子科技有限公司
电话:0755-23087599
手机:13808858392
邮箱:dunianhua@leweitech.com
地址:深圳市宝安区西乡鹤洲恒丰工业城B11栋5楼东
CR6248是一款高精度CC/CV原边检测PWM开关,待机功耗小于 75mW。集成了多种功能和保护特性,包括欠压锁定(UVLO),VDD 过压保护(OVP),软启动,过温保护(OTP),逐周期电流限制(OCP),CS 引脚悬空保护,输出短路保护,内置前沿消隐电路,使得CR6248 12w原边芯片具有更高的可靠性。
CR6248 12w原边芯片内部采用了多模式控制的效率均衡技术,用于优化芯片系统待机功耗和提升效率,同时采用了初级电感量补偿技术和内部集成的输出线电压补偿技术,保证了芯片在批量生产过程中CC/CV 输出精度,内置的全电压功率自适应补偿技术保证了系统在全电压范围(90V~264V)内输出恒定的功率。
cr6248电源ic特点
■ 高精度 CC/CV 控制,无需光耦和 TL431
■ 内置 650V 功率开关 MOSFET
■ 低的启动电流:5uA(Typ)
■ 低的工作电流:1mA(Typ)
■ 内置软启动功能
■ 内置前沿消隐电路(LEB)
■ 内置优化 EMI 特性电路
■ 内置全电压功率自适应补偿功能
■ 内置初级电感量偏差补偿功能
■ 内置输出线压降补偿
■ 内置多重保护功能
■ DIP-8L绿色封装
cr6248引脚分布及描述


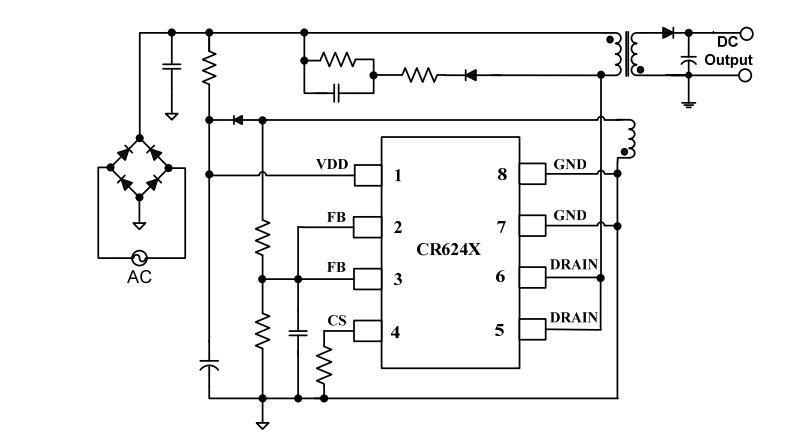
CR6248电源电路图

应用领域
■ 小功率电源适配器
■ 蜂窝电话充电器
■ 数码相机充电器
■ 电脑和服务器辅助电源
■ 替代线性调整器和RCC
CR6248 采用DIP-8L封装,230VAC 15%应用功率≤15W,90-265VAC应用功率≤13W,管脚及功能与OB2530基本一致,可兼容代换OB2530,被广泛应用于手机、无绳电话、PDA、数码相机等电池充电器、小功率适配器、PC、TV 等辅助电源、线性电源/RCC 替换等领域,更多12w原边芯片CR6248_5V2.4A、CR6248_12V1A充电器/适配器方案产品手册、应用设计指导书等资料请向启辰微代理向日葵视频下载安卓网站进入下载官网电子申请。>>
阿里巴巴店铺
关注向日葵视频下载安卓网站进入下载官网
收藏向日葵视频下载安卓网站进入下载官网










