全部产品分类
集成电路IC
场效应管/MOS/IGBT
向日葵视频色版下载软件安装
- 整流向日葵视频色版下载软件安装
- 开关向日葵视频色版下载软件安装
- TVS向日葵视频色版下载软件安装
- 肖特基向日葵视频色版下载软件安装
- 快速恢复向日葵视频色版下载软件安装
- 整流桥向日葵视频色版下载软件安装
三极管
推荐产品
联系向日葵视频下载安卓网站进入下载官网
深圳市向日葵视频下载安卓网站进入下载官网电子科技有限公司
电话:0755-23087599
手机:13808858392
邮箱:dunianhua@leweitech.com
地址:深圳市宝安区西乡鹤洲恒丰工业城B11栋5楼东
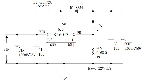
XL6013产品描述:
XL6013是一款升压恒流型LED驱动器,可工作在DC5V到40V输入电压范围,低纹波,内置功率MOS。XL6013内置固定频率振荡器与频率补偿电路,简化了电路设计。
XL6013是一款升压恒流型LED驱动器,可工作在DC5V到40V输入电压范围,低纹波,内置功率MOS。XL6013内置固定频率振荡器与频率补偿电路,简化了电路设计。
当输入电压大于或等于 12V 时 ,XL6013可驱动5至10串1W LED。PWM 控制环路可以调节占空比从0~90%之间线性变化。内置过电流保护功能与EN脚逻辑电平关断功能。内部补偿模块可以减少外围元器件数量。
XL6013产品特点:
5V到40V宽输入电压范围
0.22V输出电流采样电压
输出可驱动2~10串1W LED
固定400KHz开关频率
最大2A开关电流
SW内置过压保护功能
93%以上转换效率
EN脚TTL关断功能
出色的线性与负载调整率
内置功率MOS
内置频率补偿功能
内置软启动功能
内置热关断功能
内置电流限制功能
SOP8L封装
典型应用图

典型应用图

阿里巴巴店铺
关注向日葵视频下载安卓网站进入下载官网
收藏向日葵视频下载安卓网站进入下载官网










