全部产品分类
集成电路IC
场效应管/MOS/IGBT
向日葵视频色版下载软件安装
- 整流向日葵视频色版下载软件安装
- 开关向日葵视频色版下载软件安装
- TVS向日葵视频色版下载软件安装
- 肖特基向日葵视频色版下载软件安装
- 快速恢复向日葵视频色版下载软件安装
- 整流桥向日葵视频色版下载软件安装
三极管
推荐产品
联系向日葵视频下载安卓网站进入下载官网
深圳市向日葵视频下载安卓网站进入下载官网电子科技有限公司
电话:0755-23087599
手机:13808858392
邮箱:dunianhua@leweitech.com
地址:深圳市宝安区西乡鹤洲恒丰工业城B11栋5楼东
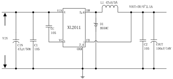
XL2011产品描述:
XL2011是150千赫频率固定PWM(降压)直流/直流转换器能够承受2.1A的负载效率、低纹波和优秀的线和负载调整率。固定频率振荡器与频率补偿电路,简化了电路设计。。
XL2011是150千赫频率固定PWM(降压)直流/直流转换器能够承受2.1A的负载效率、低纹波和优秀的线和负载调整率。固定频率振荡器与频率补偿电路,简化了电路设计。。
XL2011内置输出过电流保护功能。当短的保护功能发生时芯片将会关闭。内部补偿模块可以减少外围元器件数量。
XL2011产品特点:
宽8 v -45 v输入电压范围。
固定5 v输出电压。
最大输出电流2.1A。
固定150 khz切换频率。
内置功率MOSFET。
效率高92%。
输出短。
负载调节。
限流功能。
SOP8L封装。
典型应用
yle="width: 600px; height: 273px;" />
典型应用
yle="width: 600px; height: 273px;" />
阿里巴巴店铺
关注向日葵视频下载安卓网站进入下载官网
收藏向日葵视频下载安卓网站进入下载官网










