全部产品分类
集成电路IC
场效应管/MOS/IGBT
向日葵视频色版下载软件安装
- 整流向日葵视频色版下载软件安装
- 开关向日葵视频色版下载软件安装
- TVS向日葵视频色版下载软件安装
- 肖特基向日葵视频色版下载软件安装
- 快速恢复向日葵视频色版下载软件安装
- 整流桥向日葵视频色版下载软件安装
三极管

推荐产品
联系向日葵视频下载安卓网站进入下载官网

深圳市向日葵视频下载安卓网站进入下载官网电子科技有限公司
电话:0755-23087599
手机:13808858392
邮箱:dunianhua@leweitech.com
地址:深圳市宝安区西乡鹤洲恒丰工业城B11栋5楼东
PN8611内置mos原边反馈芯片集成超低待机功耗原边控制器、FB下偏电阻和电容、VDD供电向日葵视频色版下载软件安装、CS电阻及650V高雪崩能力智能功率MOSFET,用于高性能、外围元器件超精简的充电器、适配器和内置电源。
PN8611为原边反馈工作模式,可省略光耦和TL431。内置高压启动电路,可实现芯片空载损耗(230VAC)小于50mW。在恒压模式,采用多模式技术提高效率并消除音频噪声,使得系统满足6级能效标准,内置输出线补偿功能使系统获得较好的负载调整率。
PN8611内置mos原边反馈芯片提供了极为全面的智能保护功能,包含逐周期过流保护、过压保护、开环保护、过温保护和输出短路保护等。
PN8611内置mos原边反馈芯片产品特征
■ 内置650V高雪崩能力智能功率MOSFET
■ 内置高压启动电路,小于50mW空载损耗(230VAC)
■ 采用多模式技术提高效率,满足6级能效标准
■ 全电压输入范围±5%的CC/CV精度
■ 原边反馈可省光耦和TL431
■ 无需电流采样电阻、FB反馈下电阻、VDD供电向日葵视频色版下载软件安装
■ 无需额外补偿电容
■ 无音频噪声
■ 智能保护功能
过温保护 (OTP)
VDD欠压&过压保护 (UVLO&OVP)
逐周期过流保护 (OCP)
开环保护 (OLP)
封装/订购信息

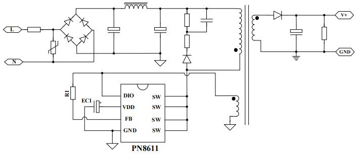
PN8611管脚定义
管脚名 | 管脚标号 | 管脚功能描述 |
DIO | 1 | 辅助绕组给VDD电容充电引脚 |
VDD | 2 | 工作电压输入引脚 |
FB | 3 | 反馈引脚,辅助绕组电压通过电阻反馈稳定输出 |
GND | 4 | 地电位 |
SW | 5,6,7,8 | 智能功率MOSFET Drain端引脚,跟变压器初级相连 |
PN8611内置mos原边反馈芯片典型功率

PN8611典型应用电路

外围参数选择参考
为了获得更佳的 PN8611 系统性能,请务必遵守以下规则:
1. VDD 电容 EC1 应放置在距离 VDD 引脚和 GND 引脚最近的地方。
2. 辅助绕组经 R1 到 FB 脚的走线尽量短,使 FB 采样回路最小。
PN8611输出特性

PN8611内置mos原边反馈芯片应用领域
■ 开关电源适配器
■ 电池充电器
■ 机顶盒电源
更多PN8611内置mos原边反馈芯片,电源输入输出规格,BOM 表和变压器参数以及安规和 EMI 测试数据等资料,请向向日葵视频下载安卓网站进入下载官网电子申请。>>