全部产品分类
集成电路IC
场效应管/MOS/IGBT
向日葵视频色版下载软件安装
- 整流向日葵视频色版下载软件安装
- 开关向日葵视频色版下载软件安装
- TVS向日葵视频色版下载软件安装
- 肖特基向日葵视频色版下载软件安装
- 快速恢复向日葵视频色版下载软件安装
- 整流桥向日葵视频色版下载软件安装
三极管
推荐产品
联系向日葵视频下载安卓网站进入下载官网
深圳市向日葵视频下载安卓网站进入下载官网电子科技有限公司
电话:0755-23087599
手机:13808858392
邮箱:dunianhua@leweitech.com
地址:深圳市宝安区西乡鹤洲恒丰工业城B11栋5楼东
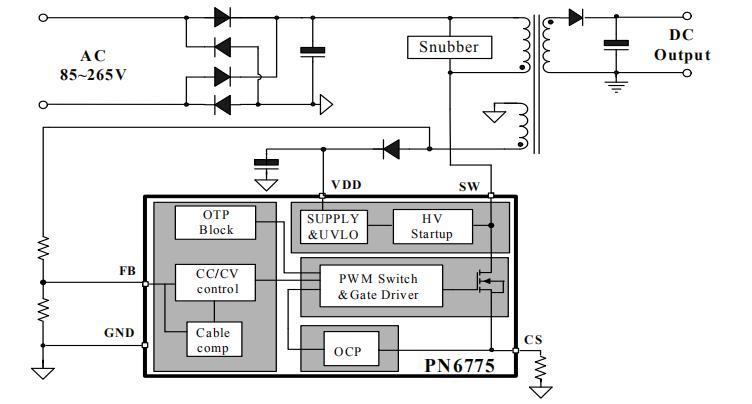
PN6775集成超低待机功耗原边控制器及高雪崩能力智能功率MOSFET,内置高压启动电路,可实现芯片空载损耗(230VAC)小于50mW,PN6775超低功耗芯片为原边反馈工作模式,可省略光耦和TL431。该芯片提供了极为全面的智能保护功能,包含逐周期过流保护、过压保护、开环保护、过温保护、输出短路保护和CS开/短路保护等,用于高性能、外围元器件精简的充电器、适配器和内置电源。
PN6775在恒压模式,采用多模式技术提高效率并消除音频噪声,使得系统满足6级能效标准,可调输出线补偿功能,能使系统获得较好的负载调整率;在恒流模式,输出电流和功率可通过CS脚的电阻进行调节。
PN6775芯片特征
■ 内置650V高雪崩能力智能功率MOSFET
■ 内置高压启动电路,小于50mW空载损耗(230VAC)
■ 采用多模式技术提高效率,满足6级能效标准
■ 全电压输入范围±5%的CC/CV精度
■ 原边反馈可省光耦和TL431
■ 恒压、恒流、输出线补偿外部可调
■ 无需额外补偿电容
■ 无音频噪声
■ 智能保护功能:过温保护 (OTP)、VDD欠压&过压保护 (UVLO&OVP) 、逐周期过流保护 (OCP)、CS开/短路保护 (CS O/SP)、开环保护 (OLP)。
封装/订购信息

输出特性

典型应用电路图

应用领域
■ 开关电源适配器
■ 电池充电器
■ 机顶盒电源
PN6775超低功耗芯片采用SOP8封装,是超低待机功耗原边反馈交直流转换器,全电压下典型应用功率6W,系统可省略的光耦和TL431,可以实现高精度的恒压、恒流输出,以满足大部分充电器和适配器需求,更多PN6775超低功耗芯片产品手册及应用资料请向芯朋微一级代理向日葵视频下载安卓网站进入下载官网电子申请。>>
阿里巴巴店铺
关注向日葵视频下载安卓网站进入下载官网
收藏向日葵视频下载安卓网站进入下载官网









