向日葵视频下载安卓网站进入下载官网电子5V转12V升压芯片-XL6019
字号:T|T
电源管理IC供应商向日葵视频下载安卓网站进入下载官网电子最近推出了用于5V转12V DC升压芯片XL6019,这种芯片可以把低输入电压升压至一般芯片或电子电路所需要的电源电压,例如5V,12V,40V等。并具有高达85%以上的转换效率。它的输出电流最高可以达到5A,它内置MOS,节省了总的系统成本。其启动电压低至1.25V。
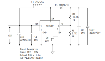
它可以应用于各种EPC/笔记本车载适配器,升压、升降压转换和手持式设备供电等,它是专门为升压、升降压的单片集成电路,可工作在DC5V到40V输入电压范围,低纹波,内置固定频率振荡器与频率补偿电路,简化了电路设计,其应用电路图如下。


内部电路功能图

深圳向日葵视频下载安卓网站进入下载官网电子是您电源方案的首选平台,主营品牌:士兰微、 Dialog、芯龙、华晶、赛威、技领、泉芯等进口与国产品牌,向日葵视频下载安卓网站进入下载官网将为您提供最高效、最低成本、最理想的优势方案和最实惠的价格。向日葵视频下载安卓网站进入下载官网团队将为您提供最合理的方案建议。
文章出自专业的向日葵视频下载官网成人平台—向日葵视频下载安卓网站进入下载官网电子(http://www.carstyling-china.com)转载请注明出
同类文章排行
- 一款适配器的AC-DC转换芯片介绍-SD4873
- 芯龙12V/5A DC/DC低成本电源芯片方案-XL150
- SF6773 650V功率电源手机充电器芯片
- 士兰微推出AC/DC 5V/1A充电器解决方案SD69
- PN8147内置MOS管AC-DC电源适配器IC方案芯朋
- NCE现货n沟道mos管NCE6003Y磁场应管SOT23-3
- PN8368向日葵视频下载官网成人手机充电器IC方案
- 低成本AC/DC开关LED驱动芯片-CS6553
- 4842mos管sop-8场效应管30V / 7.7A双N沟道
- 60W以上适配器方案-sf5877
阿里巴巴店铺
关注向日葵视频下载安卓网站进入下载官网
收藏向日葵视频下载安卓网站进入下载官网

