IR4427替换芯片ID1127双低侧、大电流驱动,可完美代换!
字号:T|T
近两年来,由于缺货和涨价等因素,很多厂商通过国产替代来解决项目缺料的问题,国产向日葵视频官方网站下载在电压耐压、电流驱动能力及抗静电、抗浪涌等可靠性方面都有不错的表现,ID1127双低侧、大电流驱动可兼容替代IR4427芯片。
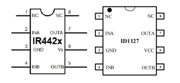
ir4427代换芯片ID1127封装

ir4427替换芯片ID1127特点
■ 5-18V 宽范围工作电压范围
■ 输入兼容 3.3V, 5V 逻辑工作电平
■ 3.5A/3.7A 拉灌电流能力

ID1127和IR4427芯片都是采用SOP-8封装,芯片1脚和8脚在芯片中作为常开引脚,不起作用,一通道由2脚输入引脚与7脚输出引脚组成,芯片3脚是芯片的接地引脚。芯片6脚作为芯片的电源供电引脚,二通道由4脚输入引脚与5脚输出引脚组成。

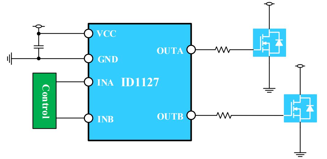
ID1127 是一款低电压、高速功率MOSFET和IGBT驱动芯片,具有防门锁的CMOS技术,其引脚功能和性能和IR4427芯片基本一致,ID1127可兼容替代ir4427,被广泛应用于PFC控制器、脉冲变压器驱动、DC DC转换器、任何互补驱动转换器等领域。
同类文章排行
- ap8022代换viper22a可兼容,不改PCB及外围
- 电源芯片sdh8302s可PIN脚代换VIPER12A/AP80
- 什么是MOS管的雪崩及mos管雪崩击穿原理!
- 常用dc-dc降压芯片推荐
- 国产向日葵视频下载官网成人有哪些?
- IR4427替换芯片ID1127双低侧、大电流驱动,
- sdh8303代换viper22a/AP8012H,PIN脚兼容无
- PN555L内置690V小功率非隔离芯片可替PN8008
- 常用低压mos管型号及选型!
- 开关电源原边反馈(PSR)技术深度解析!
阿里巴巴店铺
关注向日葵视频下载安卓网站进入下载官网
收藏向日葵视频下载安卓网站进入下载官网

