全部产品分类
集成电路IC
场效应管/MOS/IGBT
向日葵视频色版下载软件安装
- 整流向日葵视频色版下载软件安装
- 开关向日葵视频色版下载软件安装
- TVS向日葵视频色版下载软件安装
- 肖特基向日葵视频色版下载软件安装
- 快速恢复向日葵视频色版下载软件安装
- 整流桥向日葵视频色版下载软件安装
三极管
推荐产品
联系向日葵视频下载安卓网站进入下载官网
深圳市向日葵视频下载安卓网站进入下载官网电子科技有限公司
电话:0755-23087599
手机:13808858392
邮箱:dunianhua@leweitech.com
地址:深圳市宝安区西乡鹤洲恒丰工业城B11栋5楼东
PN7715 15V摄像头驱动芯片
所属分类:芯朋向日葵视频官方网站下载
品牌:芯朋微/安趋
型号:PN7715
封装:SSOP10L
功率:3V~20V
电流:1.5A的峰值电流,0.8A的平均电流
型号:PN7715
封装:SSOP10L
功率:3V~20V
电流:1.5A的峰值电流,0.8A的平均电流
订购热线:0755-23087599
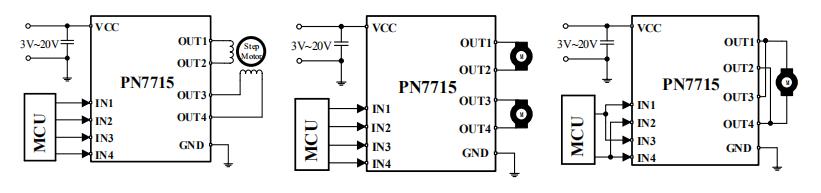
PN7715驱动芯片集成了欠压保护、过温保护、输出短路保护等功能。可驱动一个直流步进电机也可分别驱动两个直流电机,是一款具有超低功耗睡眠模式的四通道直流马达驱动芯片,其可以控制马达进入正转、反转、刹车和超低功耗睡眠模式。
PN7715四路摄像头驱动芯片驱动级为HVCMOS结构,高侧导通电阻0.6ohm,低侧导通电阻0.4ohm。该芯片的四个输入管脚IN1、IN2、IN3和IN4兼容5V和3.3V信号控制,具有良好的抗干扰性。
PN7715 摄像头驱动芯片特性
■ 宽电源电压范围:3V~20V
■ 低导通电阻(HS:0.6ohm;LS:0.4ohm)
■ 正转、反转、刹车和睡眠模式
■ 超低睡眠电流:IVCC<100nA(IN1~4=“L”, 且>1ms)
■ 输入管脚兼容5V和3.3V控制信号
■ 每个H桥可提供1.5A的峰值电流,0.8A的平均电流
■ 异常保护反馈功能,异常保护包括:电源欠压保护、内置过温保护、内置输出短路保护。
封装/订购信息

典型应用电路图

工作原理

应用领域
■ 智能电表
■ 智能门锁
■ 家电
■ 摄像头
■ 直流步进电机
PN7715四路摄像头驱动芯片采用SSOP10L封装,四输入独立控制四输出,低导通电阻Rdson:1Ω,每个H桥可提供1.5A的峰值电流,连续驱动0.8A,在应用上基本与LV8548MC相似,可以直接兼容替换,更多PN7715摄像头驱动芯片产品手册、电气特性、参数定义、特性曲线、外围参数选择参考等资料请向向日葵视频下载安卓网站进入下载官网电子申请。>>
阿里巴巴店铺
关注向日葵视频下载安卓网站进入下载官网
收藏向日葵视频下载安卓网站进入下载官网










