全部产品分类
集成电路IC
场效应管/MOS/IGBT
向日葵视频色版下载软件安装
- 整流向日葵视频色版下载软件安装
- 开关向日葵视频色版下载软件安装
- TVS向日葵视频色版下载软件安装
- 肖特基向日葵视频色版下载软件安装
- 快速恢复向日葵视频色版下载软件安装
- 整流桥向日葵视频色版下载软件安装
三极管
推荐产品
联系向日葵视频下载安卓网站进入下载官网
深圳市向日葵视频下载安卓网站进入下载官网电子科技有限公司
电话:0755-23087599
手机:13808858392
邮箱:dunianhua@leweitech.com
地址:深圳市宝安区西乡鹤洲恒丰工业城B11栋5楼东
ID7S0230 18V 半桥自举驱动芯片
所属分类:芯朋向日葵视频官方网站下载
品牌:芯朋微/安趋
型号:ID7S0230DEC-R1
封装: DFN3X 3-8L
功率:18V
电流:3.5/3.0 A
型号:ID7S0230DEC-R1
封装: DFN3X 3-8L
功率:18V
电流:3.5/3.0 A
订购热线:0755-23087599
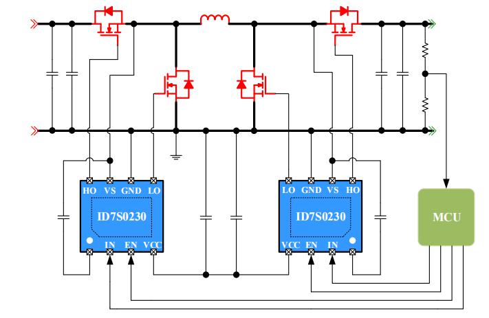
ID7S0230半桥自举驱动芯片是一款单相高压功率的MOSFET和IGBT栅极驱动器,其被优化用于驱动高侧和低侧功率晶体管。其浮地通道驱动设计能适应高达18V的BUS电压。由于工作电压范围宽,高低侧栅驱动电压可以被优化成最佳效率。内部自适应死区电路可有效防止功率管共态导通并进一步降低了开关损耗。可通过控制使能引脚(EN)为低电平来关断驱动器的输出。
ID7S0230半桥自举驱动芯片特性
■ 高侧浮动偏移电压18V
■ 较宽的工作电压范围
■ 输入逻辑兼容3.3V和5V
■ 一路PWM信号控制两路输出
■ 自适应死区防直通电路
■ 使能功能引脚
■ HO输出与N同相,LO输出与IN反相
■ 所有通道延时匹配功能
封装/订购信息

典型电路图

应用领域
■ 电子烟
■ 无线充电器
■ DCDC变换器
ID7S0230D半桥自举驱动芯片采用DFN8-3x3封装,是18 V 单相,IN/EN,集成自举向日葵视频色版下载软件安装,输入功率电压高达36V,4.8-15V 宽范围工作电压范围,驱动能力IO+/IO-:3.5/3.0 A,典型应用于电子烟、无线充电领域,可兼容替代ON/安森美NCP81155。
阿里巴巴店铺
关注向日葵视频下载安卓网站进入下载官网
收藏向日葵视频下载安卓网站进入下载官网










