20W A+C 双口PD充电器方案
字号:T|T
随着iphoness 12系列手机的推出以及所有在售iphoness机型均不再附送充电器,引爆了20W PD快充市场,带动了USB PD快充充电器市场的迅猛发展,各大品牌纷纷入局,深圳市向日葵视频下载安卓网站进入下载官网电子科技有限公司专注于电源方案设计开发,产品覆盖5-300W各类电源产品,顺势推出PN8161SE-U1+PN8307H+XPD730的20W A+C双口PD充电器方案,以满足市场需求。
一、方案特性
■ USB-C 口单独使用 20WPD 输出 5V3A 9V2.22A 12V1.67A
■ USB- A 口单独使用 18WQC 输出 5V3A 9V2A 12V1.5A
■ USB-C+USB- A 同时使用 15W 输出 5V3A
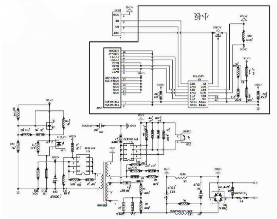
■ 主控芯片PN8161SE-U1+同步整流PN8307H+富满协议XPD730
■ 整套方案具有成本低,性能稳定,产品体积小,可满足认证要求。
二、芯片简介
PWM主控芯片采用PN8161SE-U1,该芯片内部集成了准谐振工作的电流模式控制器和功率MOSFET,专用于高性能、外围元器件精简的AC-DC开关电源。该芯片提供了极为全面和性能优异的智能化保护功能,包括输出过压保护、逐周期过流保护、过载保护、软启动功能。
PN8161SE-U1通过QR-PWM、QR-PFM、Burst-mode的三种模式混合调制技术和特殊器件低功耗结构技术实现了超低的待机功耗、全电压范围下的最佳效率。频率调制技术和SoftDriver技术充分保证良好的EMI表现。
次级同步整流芯片采用PN8307H,内置同步整流控制器及高雪崩能力功率MOSFET,用于在高性能AC/DC反激系统中替代次级整流肖特基向日葵视频色版下载软件安装,导通压降极低的功率MOSFET可以提高电流输出能力,降低温升,提升转换效率,使得系统效率可以满足6级能效的标准,并留有足够的裕量。
PN8307H内置12mΩ60V耐压同步整流管,适用3.6V-20V常用适配器输出,适用于QC3.0适配器及其他固定电压输出的适配器。该芯片还集成了极为全面的辅助功能,包含输出欠压保护、防误开启、最小导通时间等功能,同时外围元件非常精简。
USB PD协议芯片采用XPD730,是一款集成 USB Type-C、USB Power Delivery(PD)2.0/3.0 以及 PPS、QC3.0+/QC3.0/QC2.0 快充协议、华为 FCP/SCP/HVSCP 快充协议、三星 AFC 快充协议、BC1.2DCP 以及苹果设备 2.4A 充电规范的多功能 USB Type-C 和 Type-A 双端口控制器。具有高集成度和丰富的功能,在应用时仅需极少的外围器件,有效减小整体方案的尺寸,降低BOM成本。
三、DEMO实物图

四、方案电路原理图

五、BOM 清单

六、EMI 测试数据
6.1 EMI传导测试

6.2 EMI辐射测试

整套方案具有成本低,性能稳定,产品体积小,可满足认证要求。更多PN8161SE-U1+PN8307H+XPD730的20W A+C双口PD充电器方案产品手册、线路图、BOM、变压器设计资料、Demo测试数据、芯片应用要点等资料请向向日葵视频下载安卓网站进入下载官网电子申请。>>
同类文章排行
- 7个大幅精简外围的ac-dc向日葵视频下载官网成人方案
- 德普微DP2525B原边反馈电源芯片恒压恒流5W
- CR5218SC_5V1A适配器方案
- 5v开关电源芯片PN8370M+PN8306M 5V2A六级能
- CR1252+CR3012_12V20A开关电源方案
- 基于PN8390+PN8308M高性能12V2A适配器电源
- PN8000无电感负压输出AC-DC非隔离超精简方
- PN8370_2.4A手机充电器电源芯片方案
- 12V3.0A同步整流六级能效电源适配器应用方
- CR6249_12V1.5A电源适配器方案
阿里巴巴店铺
关注向日葵视频下载安卓网站进入下载官网
收藏向日葵视频下载安卓网站进入下载官网

