全部产品分类
集成电路IC
场效应管/MOS/IGBT
向日葵视频色版下载软件安装
- 整流向日葵视频色版下载软件安装
- 开关向日葵视频色版下载软件安装
- TVS向日葵视频色版下载软件安装
- 肖特基向日葵视频色版下载软件安装
- 快速恢复向日葵视频色版下载软件安装
- 整流桥向日葵视频色版下载软件安装
三极管
推荐产品
联系向日葵视频下载安卓网站进入下载官网
深圳市向日葵视频下载安卓网站进入下载官网电子科技有限公司
电话:0755-23087599
手机:13808858392
邮箱:dunianhua@leweitech.com
地址:深圳市宝安区西乡鹤洲恒丰工业城B11栋5楼东
HD1010 15W无线充发射控制芯片
所属分类:无线充芯片
品牌:惠尔无线
型号:HD1010
封装:QFN19
功率:15W
电流:4.0V to 14.0V
型号:HD1010
封装:QFN19
功率:15W
电流:4.0V to 14.0V
订购热线:0755-23087599
HD1010概述:
HD1010是一个高度集成的无线电源发射机模拟前端,包含了实现WPC兼容发射机所需的所有模拟组件。
HD1010无线充发射控制芯片集成了一个全桥功率驱动与mosfts,电流感知放大器,自举电路,通信解调器,线性调节器和保护电路。
HD1010可以与发射机控制器一起工作,创建一个高性能的无线功率发射机,符合WPC V1.2.4扩展功率概要(EPP)和基线功率概要(BPP),一旦EPP接收器被检测到,发射机将提供高达15W的输出功率;如果存在BPP接收器,发射机将只提供最多5W的输出功率。
HD1010无线充发射控制芯片该系统支持外部目标检测(FOD),通过持续监测传输的电量,并与接收端报告的接收电量进行比较。为了做到这一点,HD1010测量输入直流电流非常准确地使用电流传感器放大器。
此外,HD1010还支持输入欠压锁定(UVLO)、过流保护(OCP)、短路保护(SCP)和过热保护(OTP)。这些保护措施进一步提高了整个无线电力发射机系统的可靠性。
HD1010 15W无线充发射控制芯片是一个紧凑的3 x 3毫米QFN包。
HD1010特性:
■ 4.0V to 14.0V 输入 电压 范围
■ Support 5 V/9V/12V 输入
■ Support 15 W 输出 功率
■ Integrated 电压 和 电流 解调
■ Integrated 5 V LDO MCU 供电
■ Integrated 四 15 莫姆 FETs 力量
■ Integrated FET 司机 和 启动 电路
■ Integrated 当前 对 FOD 准确
■ Support 各种 类型 的 发射机 WPC V1.2.4
■ BPP A11/A11a
■ BPP A6 与 单个 线圈 或 双重 线圈
■ EPP MPA2
■ EPP MPA5/MPA11 额外 DC-DC
■ UVLO/OCP/SCP/OTP
■ QFN 包 3 毫米 x 3 毫米
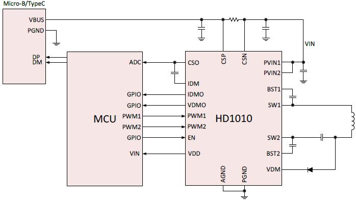
HD1010应用电路

如果需要HD1010 15W无线充发射控制芯片产品的详细手册或其他资料,请向向日葵视频下载安卓网站进入下载官网申请。>>
阿里巴巴店铺
关注向日葵视频下载安卓网站进入下载官网
收藏向日葵视频下载安卓网站进入下载官网










