全部产品分类
集成电路IC
场效应管/MOS/IGBT
向日葵视频色版下载软件安装
- 整流向日葵视频色版下载软件安装
- 开关向日葵视频色版下载软件安装
- TVS向日葵视频色版下载软件安装
- 肖特基向日葵视频色版下载软件安装
- 快速恢复向日葵视频色版下载软件安装
- 整流桥向日葵视频色版下载软件安装
三极管
推荐产品
联系向日葵视频下载安卓网站进入下载官网
深圳市向日葵视频下载安卓网站进入下载官网电子科技有限公司
电话:0755-23087599
手机:13808858392
邮箱:dunianhua@leweitech.com
地址:深圳市宝安区西乡鹤洲恒丰工业城B11栋5楼东
HC57015无线快充芯片描述
HC57015 15w无线快充芯片是一款高性能无线充电专用单片机,支持WPC QI 1.2.4版本。HC57015无线快充芯片支持12位ADC、高速脉冲宽度调制、解调单元和5000倍MTP内存。该设备支持I2C、UART、SPI接口。该发射机包括一个业界领先的32位ARM®Cortex®M0处理器,提供高水平的可编程性,同时消耗极低的待机功耗满足ENERGY STAR®要求。此外,微控制器允许用户自定义功能,如LED模式、蜂鸣器和FOD阈值设置。
增强型mcu和高速pwm可以提供高精度的功率传输,每个模拟部分都可以禁用/启用,因此芯片的待机功耗极低,满足了energy star®的要求。
该变送器包括输入欠压、输入过电压、输出短路和过温保护。
HC57015 15w无线快充芯片采用无铅3x3毫米20针QFN封装,额定温度在-40℃到+85℃之间
HC57015无线快充芯片特征:
■ 电源电压:3.3V至5.5V
■ WPC-1.2.4兼容(BPP和EPP)
■ 支持15W以上高速充电器RX输出功率支持QC2.0、QC3.0适配器
■ 为获得最佳EMI性能而优化的同时电压和电流解调嵌入32位增强型Cortex?-M0内核,在模拟模块中内置
■ 16kbytes SRAM,在PLL模块中内置
■ 用于外部mosfet的带有128mhz集成门驱动器的嵌入式定制pwm模块
■ 集成12位11通道ADC
■ 集成低失调运算放大器,带自动校准18通用I/O,带SPI、I2C和UART接口
■ 过流和过温保护-40℃至+85℃温度范围
■ 提供3 x 3 mm,20针QFN封装
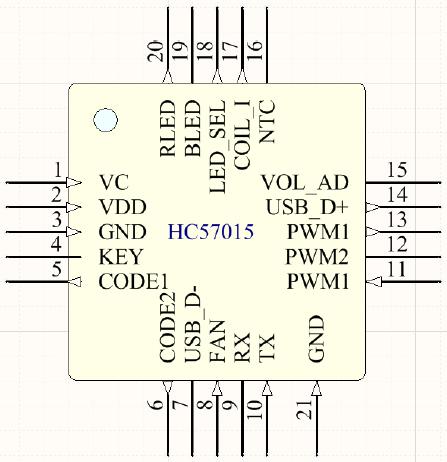
HC57015 15w无线快充芯片管脚分配:

3x3 mm,20-QFN的管脚分配-顶视图
HC57015简化应用电路:

更多HC57015 15w无线快充芯片产品的详细手册或其他资料,请向向日葵视频下载安卓网站进入下载官网申请。>>
阿里巴巴店铺
关注向日葵视频下载安卓网站进入下载官网
收藏向日葵视频下载安卓网站进入下载官网










