全部产品分类
集成电路IC
场效应管/MOS/IGBT
向日葵视频色版下载软件安装
- 整流向日葵视频色版下载软件安装
- 开关向日葵视频色版下载软件安装
- TVS向日葵视频色版下载软件安装
- 肖特基向日葵视频色版下载软件安装
- 快速恢复向日葵视频色版下载软件安装
- 整流桥向日葵视频色版下载软件安装
三极管
推荐产品
联系向日葵视频下载安卓网站进入下载官网
深圳市向日葵视频下载安卓网站进入下载官网电子科技有限公司
电话:0755-23087599
手机:13808858392
邮箱:dunianhua@leweitech.com
地址:深圳市宝安区西乡鹤洲恒丰工业城B11栋5楼东
PN8309H-3.5A同步整流IC
所属分类:Chipown/芯朋微
品牌:芯朋微
型号:PN8309H
封装:SOP-8
功率:10mΩ 75V /100V
电流:3.5A
型号:PN8309H
封装:SOP-8
功率:10mΩ 75V /100V
电流:3.5A
订购热线:0755-23087599
PN8309H概述:
PN8309H 包 括 同 步 整 流 控 制 器 及 N 型功率MOSFET,用于在高性能AC/DC反激系统中替代次级整流肖特基向日葵视频色版下载软件安装。
PN8309H内置电压降极低的功率MOSFET以提高电流输出能力,提升转换效率,使得系统效率可以满足6级能效的标准,并留有足够的裕量。
PN8309H同步整流IC集成了极为全面的辅助功能,包含电源欠压保护、最小导通时间等功能。双供电电源设计支持低压侧应用时更宽的输出电压范围,并得到更好的可靠性。
PN8309H同步整流IC特性:
■ 内置10mΩ 100V Trench MOSFET(PN8309HSE-A1)
■ 内置10mΩ 75V Trench MOSFET(PN8309HSE-B1)
■ 适用于CCM,DCM和QR工作模式
■ 电流跟踪关断技术
■ 高压自供电技术
封装/订购信息

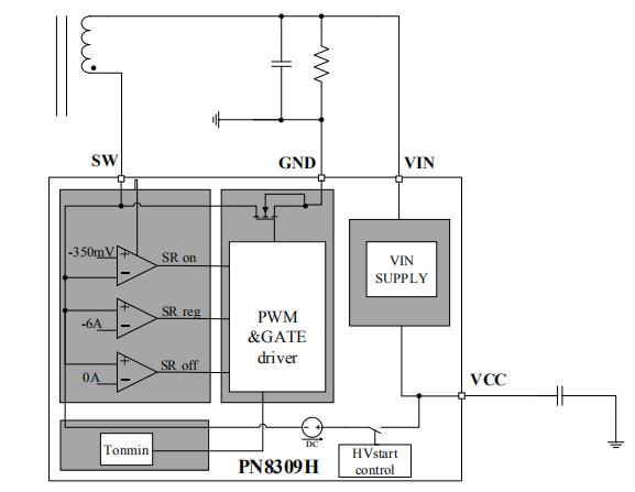
管脚定义
| 管脚名 | 管脚标号 | 管脚功能描述 |
| GND | 1,2 | 地电位 |
| VCC | 3 | 芯片电源引脚 |
| VIN | 4 | 系统输出采样引脚 |
| SW | 5,6,7,8 | 功率MOSFET的DRAIN |
PN8309H同步整流IC典型功率
PN8309H典型电路图

PN8309H同步整流IC应用领域
■ 适配器
■ PD 充电器
更多PN8309H 3.5A同步整流IC相关方案及资料,可向向日葵视频下载安卓网站进入下载官网电子申请。>>
更多PN8309H 3.5A同步整流IC相关方案及资料,可向向日葵视频下载安卓网站进入下载官网电子申请。>>
阿里巴巴店铺
关注向日葵视频下载安卓网站进入下载官网
收藏向日葵视频下载安卓网站进入下载官网









