全部产品分类
集成电路IC
场效应管/MOS/IGBT
向日葵视频色版下载软件安装
- 整流向日葵视频色版下载软件安装
- 开关向日葵视频色版下载软件安装
- TVS向日葵视频色版下载软件安装
- 肖特基向日葵视频色版下载软件安装
- 快速恢复向日葵视频色版下载软件安装
- 整流桥向日葵视频色版下载软件安装
三极管
推荐产品
联系向日葵视频下载安卓网站进入下载官网
深圳市向日葵视频下载安卓网站进入下载官网电子科技有限公司
电话:0755-23087599
手机:13808858392
邮箱:dunianhua@leweitech.com
地址:深圳市宝安区西乡鹤洲恒丰工业城B11栋5楼东
MP6901产品描述:
MP6901是低压降向日葵视频色版下载软件安装模拟器集成电路结合外部开关代替高效肖特基向日葵视频色版下载软件安装、反激转换器芯片调节外部开关的前进下降到大约70 mv和交换机它只要电压是负的提供TSOT23-5 SOIC-8两种包装选择
MP6901是低压降向日葵视频色版下载软件安装模拟器集成电路结合外部开关代替高效肖特基向日葵视频色版下载软件安装、反激转换器芯片调节外部开关的前进下降到大约70 mv和交换机它只要电压是负的提供TSOT23-5 SOIC-8两种包装选择
MP6901产品特点:
工作标准和场效应晶体管逻辑水平
符合能源之星1w备用需求
Vdd的范围从8 v到24 v
70 mv Vds监管功能
快速断开延迟20 ns
Mas 400 khz切换频率
低静态电流
支持CCM、DCM和准谐振拓扑
支持高端和下部整改
电能节约1.5 w在一个典型的笔记本适配器
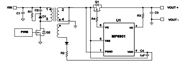
典型应用图

更多反激同步整流芯片产品资料及及相关方案,可联系向日葵视频下载安卓网站进入下载官网在线客服。。。。
典型应用图

更多反激同步整流芯片产品资料及及相关方案,可联系向日葵视频下载安卓网站进入下载官网在线客服。。。。
阿里巴巴店铺
关注向日葵视频下载安卓网站进入下载官网
收藏向日葵视频下载安卓网站进入下载官网










