全部产品分类
集成电路IC
场效应管/MOS/IGBT
向日葵视频色版下载软件安装
- 整流向日葵视频色版下载软件安装
- 开关向日葵视频色版下载软件安装
- TVS向日葵视频色版下载软件安装
- 肖特基向日葵视频色版下载软件安装
- 快速恢复向日葵视频色版下载软件安装
- 整流桥向日葵视频色版下载软件安装
三极管
推荐产品
联系向日葵视频下载安卓网站进入下载官网
深圳市向日葵视频下载安卓网站进入下载官网电子科技有限公司
电话:0755-23087599
手机:13808858392
邮箱:dunianhua@leweitech.com
地址:深圳市宝安区西乡鹤洲恒丰工业城B11栋5楼东
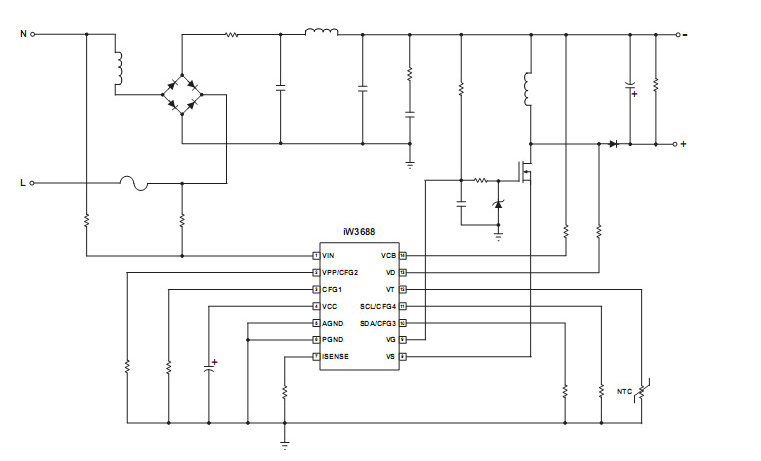
iW3688产品描述:
iW3688消除了20个外部元件的成本,其中包括外部放电电路所需的10个组件,使用Dialog的集成数字算法调制主MOSFET开关,在调光期间获得额外的电流。确保输入电流在正向导通期间总是大于TRIAC的维持阀值,从而消除外部放电电路。iW3688还通过简化EMI滤波电路以及内置电流源、开关和VCC充电电路进一步降低物料成本。iW3688的先进电源管理和电压检测功能允许制造商使用低成本的现货电感器,从而进一步节省了成本。
iW3688消除了20个外部元件的成本,其中包括外部放电电路所需的10个组件,使用Dialog的集成数字算法调制主MOSFET开关,在调光期间获得额外的电流。确保输入电流在正向导通期间总是大于TRIAC的维持阀值,从而消除外部放电电路。iW3688还通过简化EMI滤波电路以及内置电流源、开关和VCC充电电路进一步降低物料成本。iW3688的先进电源管理和电压检测功能允许制造商使用低成本的现货电感器,从而进一步节省了成本。
iW3688采用Dialog的过温保护(OTP)降额技术解决过热导致的LED灯泡的使用寿命问题。 OTP监测密封SSL灯泡中的温度,当温度高于安全的工作阀值时,无缝地降低光亮度;当温度降下时,则恢复亮度。这可以降低工作温度,避免超过电解质电容器的额定温度,并确保实现可预测和更加安全的灯泡使用寿命。
IW3688支持Buck-Boost(非隔离方案)或flyback拓扑结构(隔离方案),支持无调光器,前切,后切调光器,无调光器时高功率因数(PF>0.9)以及低THD<20%,大多数调光器可支持1%到100%的宽调光范围。无需专门的bleeder或启动电路,也无需辅助绕组,很简化的外围电路,只需要一个高压功率MOSFET,可使用非常廉价的单绕组电感。
iW3688单级LED驱动器专为20W内的应用而设计,其中包括A灯、BR、蜡烛灯、GU10和PAR灯、T8 LED灯管以及外置照明驱动器。它采用Dialog的智能数字调光控制专利技术,提供卓越的性能,并兼容最具挑战性的TRIAC和数字调光器。不仅如此,Dialog领先的专利数字算法实现了集成的有源偏置功能,与传统的外部泄放电路相比,提高了调光性能,并降低了成本。SOIC-14封装。
iW3688产品特点:
iW3688产品特点:
单级,支持最大20W的输出功率
数字算法提供卓越的调光器兼容性– 兼容TRIAC和数字调光器
最高的切相调光性能
可抵御噪声和不稳定 – 无闪烁
自动检测调光器类型
宽广的调光范围:1% - 100%
可配置的调光参数
最小的尺寸/最低的物料成本
内置电流源、开关和VCC充电电路
允许使用低成本的现货电感器
没有额外的灌胶成本
较低的总谐波失真< 20%,高PF > 0.95
内置LED过温保护降额技术
典型应用

典型应用

阿里巴巴店铺
关注向日葵视频下载安卓网站进入下载官网
收藏向日葵视频下载安卓网站进入下载官网










