全部产品分类
集成电路IC
场效应管/MOS/IGBT
向日葵视频色版下载软件安装
- 整流向日葵视频色版下载软件安装
- 开关向日葵视频色版下载软件安装
- TVS向日葵视频色版下载软件安装
- 肖特基向日葵视频色版下载软件安装
- 快速恢复向日葵视频色版下载软件安装
- 整流桥向日葵视频色版下载软件安装
三极管
推荐产品
联系向日葵视频下载安卓网站进入下载官网
深圳市向日葵视频下载安卓网站进入下载官网电子科技有限公司
电话:0755-23087599
手机:13808858392
邮箱:dunianhua@leweitech.com
地址:深圳市宝安区西乡鹤洲恒丰工业城B11栋5楼东
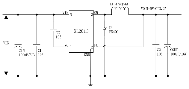
XL2013_5V3.2A车充降压芯片 XL2013
所属分类:XL/芯龙系列
品牌:上海芯龙
型号:XL2013
封装:TO252-5L
功率:16W
电流:3.2A
型号:XL2013
封装:TO252-5L
功率:16W
电流:3.2A
订购热线:0755-23087599
XL2013产品描述:
XL2013是一个150KHz的固定频率PWM降压(步降)DC/DC转换器,能够驱动一个3.2A的负载,高效率,低纹波和出色的线路和负载调节。需要的外部元件数量最少,稳压器简单易用,包括内部频率补偿和固定频率振荡器。
该XL2013内置输出短路保护功能。当短路保护功能的情况,该芯片将被关闭。内部补偿模块是建立在以尽量减少外部元件数量。
XL2013产品特点:
广泛的8V至40V的输入电压范围。
固定的5V输出电压。
最大3.2A的输出电流。
150KHz的固定开关频率。
内部优化的功率MOSFET。
效率高达92%。
内置输出短路关断功能。
出色的线路和负载调节。
内置热关断功能。
内置电流限制功能。
TO252-5L封装
典型应用图

典型应用图

阿里巴巴店铺
关注向日葵视频下载安卓网站进入下载官网
收藏向日葵视频下载安卓网站进入下载官网










