全部产品分类
集成电路IC
场效应管/MOS/IGBT
向日葵视频色版下载软件安装
- 整流向日葵视频色版下载软件安装
- 开关向日葵视频色版下载软件安装
- TVS向日葵视频色版下载软件安装
- 肖特基向日葵视频色版下载软件安装
- 快速恢复向日葵视频色版下载软件安装
- 整流桥向日葵视频色版下载软件安装
三极管
推荐产品
联系向日葵视频下载安卓网站进入下载官网
深圳市向日葵视频下载安卓网站进入下载官网电子科技有限公司
电话:0755-23087599
手机:13808858392
邮箱:dunianhua@leweitech.com
地址:深圳市宝安区西乡鹤洲恒丰工业城B11栋5楼东
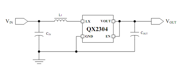
QX2304_电源IC QX2304
所属分类:QX泉芯系列
品牌:泉芯
型号:QX2304
封装:SOT23-3 SOT23-5 SOT89-3 TO-92
功率:2W
电流:300mA
型号:QX2304
封装:SOT23-3 SOT23-5 SOT89-3 TO-92
功率:2W
电流:300mA
订购热线:0755-23087599
QX2304 产品描述:
QX2304是一款高效率、低功耗、低 纹波、高工作频率的PFM同步升压DC-DC变换器。 QX2304仅需要三个外围元件,就可完成将低输入的电池电压变换升压到所需的工作电压。 QX2304的输出电压,可通过内部调节进行选择(步进0.1V),方便客户应用于不同的输出负载情况。QX2304系统输出电压具有低纹波,低噪声的特点。
QX2304内置的同步开关管可极大降低开关管上的损耗,使效率最高可达95%。QX2304工作于PFM模式,可有效降低轻载模式下的损耗,提高设备的使用周期。同时,芯片低的静态电流可进一步降低系统损耗。
QX2304是一款高效率、低功耗、低 纹波、高工作频率的PFM同步升压DC-DC变换器。 QX2304仅需要三个外围元件,就可完成将低输入的电池电压变换升压到所需的工作电压。 QX2304的输出电压,可通过内部调节进行选择(步进0.1V),方便客户应用于不同的输出负载情况。QX2304系统输出电压具有低纹波,低噪声的特点。
QX2304内置的同步开关管可极大降低开关管上的损耗,使效率最高可达95%。QX2304工作于PFM模式,可有效降低轻载模式下的损耗,提高设备的使用周期。同时,芯片低的静态电流可进一步降低系统损耗。
QX2304产品特点:
最高效率:95%
最高效率:95%
最高工作频率:300 KHz
低静态电流:15uA
可选输出电压:2.5V~3.6V
输出精度:±2.5%
宽输入电压范围:0.9V~3.6V
低纹波,低噪声
典型应用图

典型应用图

阿里巴巴店铺
关注向日葵视频下载安卓网站进入下载官网
收藏向日葵视频下载安卓网站进入下载官网









