全部产品分类
集成电路IC
场效应管/MOS/IGBT
向日葵视频色版下载软件安装
- 整流向日葵视频色版下载软件安装
- 开关向日葵视频色版下载软件安装
- TVS向日葵视频色版下载软件安装
- 肖特基向日葵视频色版下载软件安装
- 快速恢复向日葵视频色版下载软件安装
- 整流桥向日葵视频色版下载软件安装
三极管
推荐产品
联系向日葵视频下载安卓网站进入下载官网
深圳市向日葵视频下载安卓网站进入下载官网电子科技有限公司
电话:0755-23087599
手机:13808858392
邮箱:dunianhua@leweitech.com
地址:深圳市宝安区西乡鹤洲恒丰工业城B11栋5楼东
PN8370_5v2.4a充电器ic
所属分类:Chipown/芯朋微
品牌:芯朋微
型号:PN8370M/H/F
封装:SOP7
功率:12W
电流:1A、2A、2.4A、
型号:PN8370M/H/F
封装:SOP7
功率:12W
电流:1A、2A、2.4A、
订购热线:0755-23087599
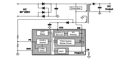
PN8370集成超低待机功耗准谐振原边控制器及650V高雪崩能力智能功率MOSFET,用于高性能、外围元器件精简的充电器、适配器和内置电源。PN8370为原边反馈工作模式,可省略光耦和TL431。内置高压启动电路,可实现芯片空载损耗(230VAC)小于30mW。在恒压模式,采用准谐振与多模式技术提高效率并消除音频噪声,使得系统满足6级能效标准,可调输出线补偿功能能使系统获得较好的负载调整率;在恒流模式,输出电流和功率可通过CS脚的RCS电阻进行调节。该芯片提供了极为全面的智能保护功能,包含逐周期过流保护、过压保护、开环保护、过温保护、输出短路保护和CS开/短路保护等。
PN8370芯片特点:
■ 内置650V高雪崩能力智能功率MOSFET
■ 内置高压启动电路,小于30mW空载损耗(230VAC)
■ 采用准谐振与多模式技术提高效率,满足6级能效标准
■ 全电压输入范围±5%的CC/CV精度
■ 原边反馈可省光耦和TL431
■ 恒压、恒流、输出线补偿外部可调
■ 无需额外补偿电容
■ 无音频噪声
■ 智能保护功能
过温保护 (OTP)
VDD欠压&过压保护 (UVLO&OVP)
逐周期过流保护 (OCP)
CS开/短路保护 (CS O/SP)
开环保护 (OLP)

pn8370管脚定义:

PN8370典型功率:


PN8370极限工作范围:
VDD 脚耐压……….….-0.3~27V
SW 脚耐压………….…650V
FBCS 脚耐压……..……-0.3~5.5V
结工作温度范围…………-40~150℃
存储温度范围………………-55~150℃
封装热阻 (SOP-7)……………….. 80°C/W
封装热阻 (DIP-8)…………….. 40°C/W
管脚焊接温度 (10秒)…………260℃
ESD 能力(HBM) ……………….4.0kV
最大漏极脉冲电流……………3.0A
pn8370芯片系列有PN8370SSC-R1M、PN8370SSC-R1H、PN8370SSC-R1P、PN8370NSC-T1M、PN8370NEC-T1M、PN8370NEC-T1H等多个型号,采用DIP-8、DIP-7、SOP-7封装,满足不同客户需求,典型应用于5V2A、5V2.4A、12V1A充电器/适配器等电源方案,更多PN8370芯片参数、pn8370中文说明书及应用资料请向向日葵视频下载安卓网站进入下载官网申请。>>
应用领域
■ 开关电源适配器
■ 电池充电器
■ 机顶盒电源
pn8370芯片系列有PN8370SSC-R1M、PN8370SSC-R1H、PN8370SSC-R1P、PN8370NSC-T1M、PN8370NEC-T1M、PN8370NEC-T1H等多个型号,采用DIP-8、DIP-7、SOP-7封装,满足不同客户需求,典型应用于5V2A、5V2.4A、12V1A充电器/适配器等电源方案,更多PN8370芯片参数、pn8370中文说明书及应用资料请向向日葵视频下载安卓网站进入下载官网申请。>>
阿里巴巴店铺
关注向日葵视频下载安卓网站进入下载官网
收藏向日葵视频下载安卓网站进入下载官网









