全部产品分类
集成电路IC
场效应管/MOS/IGBT
向日葵视频色版下载软件安装
- 整流向日葵视频色版下载软件安装
- 开关向日葵视频色版下载软件安装
- TVS向日葵视频色版下载软件安装
- 肖特基向日葵视频色版下载软件安装
- 快速恢复向日葵视频色版下载软件安装
- 整流桥向日葵视频色版下载软件安装
三极管
推荐产品
联系向日葵视频下载安卓网站进入下载官网
深圳市向日葵视频下载安卓网站进入下载官网电子科技有限公司
电话:0755-23087599
手机:13808858392
邮箱:dunianhua@leweitech.com
地址:深圳市宝安区西乡鹤洲恒丰工业城B11栋5楼东
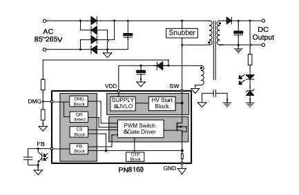
PN8160 超低待机功耗电源芯片内部集成了脉宽调制控制器和功率MOSFET,用于高性能、外围元器件精简的交直流转换开关电源,该芯片提供了极为全面和性能优优异的智能化保护功能,包括周期式过流保护,过载保护,软启动功能。通知QR+CCMECO-modeBurst-mode的三种模式混合调制技术和特殊器件低功耗结构技术实现了超低的待机功耗,全电压范围下的最佳效率。频率调制技术和SoftDriver技术充分保证良好的EMI表现。
PN8160芯片特点:
■ 专利高压启动,无需启动电阻,待机功耗小于50mW;
■ QR-PWM + QR-PFM + Burst Mode提高平均效率,精准谷底开通算法,轻松满足六级能效;
■ 自适应PWM工作频率(85/65kHz),减小变压器体积,校正高低压过流点一致性;
■ 内置电流采样管,无需CS电阻,节省成本、提高效率、简化布板;
■ 叠层封装技术,热阻更小,24W无需散热片;高低压脚位两侧排列,更高安全性;
■ 超宽VDD电压8-40V,适合快充应用;
■ 全面保护功能:输出过压保护、VDD欠过压保护、过温保护、过载保护、输出向日葵视频色版下载软件安装短路等保护;
■ 超高可靠性:40V BCD平台 + 690V Smart MOSFET;HBM ESD大于4kV;Latchup电流大于200mA。
封装/订购信息
封装/订购信息

典型应用图

应用领域
■ 待机电源
■ 开放式开关电源
■ 适配器
PN8160超低待机功耗电源芯片系列采用SOP-8和DIP8封装,有PN8160NEC-T1T、PN8160NEC-T1R、PN8160NEC-T1H、PN8160NEC-T1M、PN8160NEC-T1X、PN8160SEC-R1H几种产品规格,典型应用功率18W-24W,更多pn8160芯片规格书、pn8160应用电路及pn8160设计资料请向向日葵视频下载安卓网站进入下载官网申请。>>
PN8160超低待机功耗电源芯片系列采用SOP-8和DIP8封装,有PN8160NEC-T1T、PN8160NEC-T1R、PN8160NEC-T1H、PN8160NEC-T1M、PN8160NEC-T1X、PN8160SEC-R1H几种产品规格,典型应用功率18W-24W,更多pn8160芯片规格书、pn8160应用电路及pn8160设计资料请向向日葵视频下载安卓网站进入下载官网申请。>>
阿里巴巴店铺
关注向日葵视频下载安卓网站进入下载官网
收藏向日葵视频下载安卓网站进入下载官网









