全部产品分类
集成电路IC
场效应管/MOS/IGBT
向日葵视频色版下载软件安装
- 整流向日葵视频色版下载软件安装
- 开关向日葵视频色版下载软件安装
- TVS向日葵视频色版下载软件安装
- 肖特基向日葵视频色版下载软件安装
- 快速恢复向日葵视频色版下载软件安装
- 整流桥向日葵视频色版下载软件安装
三极管
推荐产品
联系向日葵视频下载安卓网站进入下载官网
深圳市向日葵视频下载安卓网站进入下载官网电子科技有限公司
电话:0755-23087599
手机:13808858392
邮箱:dunianhua@leweitech.com
地址:深圳市宝安区西乡鹤洲恒丰工业城B11栋5楼东
SD8525H描述:
SD8525H是一款内置MOS的高性能,快速关断的同步整流控制芯片。在高性能隔离型电源拓扑应用中替代肖特基向日葵视频色版下载软件安装,以提髙系统效率。可配合原边芯片工作在CCM、DCM、QR多种工作模式。
SD8525H采用内置VCC供电技术,集成高压供电和输出供电两种供电方式。内置斜率检测功能,防止在谐振阶段的误导通。同时兼容高侧端应用和低侧端应用。
SD8525H采用SOP8贴片封装。
SD8525H主要特点:
◆内置100V,10mΩ高性能MOS
◆兼容高侧端和低侧端同步整流应用
◆兼容DCM,CCM,QR多种应用模式
◆斜率检测功能,防止在谐振阶段的误导通
◆内置高压端VCC供电和输出端VCC供电技术
◆250μA低待机电流
◆SOP8封装
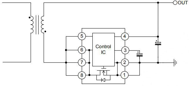
管脚排列图:

管脚说明:
如果需要SD8525H同步整流控制芯片12V3A适配器方案详细手册或原理图,电源输入输出规格,BOM 表和变压器参数等详细资料的,请向向日葵视频下载安卓网站进入下载官网申请。
| 管脚号 | 管脚名称 | I/O | 功能描述 |
| 1,2 | VSS | G | 芯片地和功率MOS管源端 |
| 3 | VCC | P | 芯片电源 |
| 4 | VO | I | 输出供电端 |
| 5 | VD | I | 漏端电压检测端 |
| 6,7,8 | DRAIN | I | 功率MOS管漏端 |
SD8525H典型应用图
低侧端应用:

高侧端应用:

应用领域:
◆充电器
◆适配器
阿里巴巴店铺
关注向日葵视频下载安卓网站进入下载官网
收藏向日葵视频下载安卓网站进入下载官网










