全部产品分类
集成电路IC
场效应管/MOS/IGBT
向日葵视频色版下载软件安装
- 整流向日葵视频色版下载软件安装
- 开关向日葵视频色版下载软件安装
- TVS向日葵视频色版下载软件安装
- 肖特基向日葵视频色版下载软件安装
- 快速恢复向日葵视频色版下载软件安装
- 整流桥向日葵视频色版下载软件安装
三极管

推荐产品
联系向日葵视频下载安卓网站进入下载官网

深圳市向日葵视频下载安卓网站进入下载官网电子科技有限公司
电话:0755-23087599
手机:13808858392
邮箱:dunianhua@leweitech.com
地址:深圳市宝安区西乡鹤洲恒丰工业城B11栋5楼东
SD4938 150V电流型PWM控制芯片
所属分类:SLAN/士兰微
品牌:士兰微
型号:SD4938
封装:SOP-8
功率:12V/15V/18V
电流:0.5A
型号:SD4938
封装:SOP-8
功率:12V/15V/18V
电流:0.5A
订购热线:0755-23087599
SD4938描述
SD4938是用于开关电源的内置150V高压MOSFET的电流模式PWM控制器。
SD4938电流型PWM控制芯片内置高压启动电路。在轻载下会进入打隔模式,从而有效地降低系统的待机功耗。具有降频功能,进一步优化轻载条件下的转换效率。具有软启动功能,能够减小器件的应力,防止变压器饱和。
SD4938电流型PWM控制芯片内部还集成了各种异常状态的保护功能,包括:VDD欠压保护,VDD过压保护,前沿消隐,输出过载保护,过流保护,过温保护等。触发保护后,电路会不断自动重启,直到系统正常为止。
SD4938主要特点
·20V至150V输入电压
·12V,15V,18V输出电压三档可调
·0.5A输出电流
·高压启动
·轻载打嗝
·降频
·软启动
·VDD欠压保护·VDD过压保护
·前沿消隐
·输出过载保护
·过流保护·过温保护
SD4938管脚排列图

SD4938管脚描述
管脚号 | 管脚名称 | I/O | 管脚描述 |
1 | VDD | I/O | 控制电路的供电电源 |
2,3,4 | NC | NC | 无连接 |
5,6 | DRAIN | O | 功率MOSFRT漏极 |
7 | VSET | I | 用于设置不同的输出电压,悬空时输出12V,接地时输出15V,接51K电阻到地输出18V。 |
8 | GND | G | 功率MOSFET源极和控制电路的参考地 |
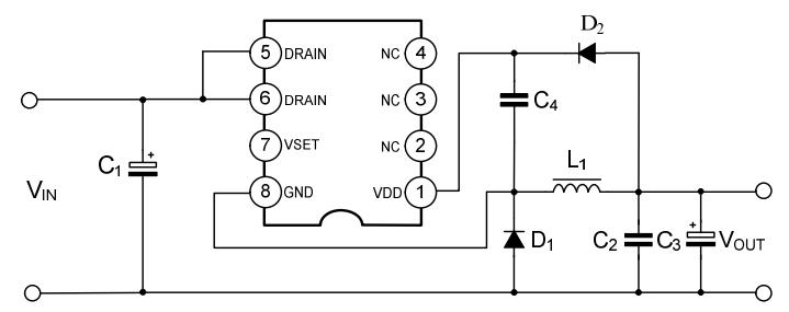
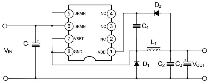
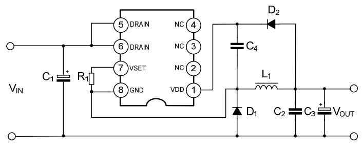
SD4938典型应用电路图

12V/0.3A输出时应用线路图

15V/0.3A输出时应用线路图

18V/0.3A输出时应用线路图
SD4938应用领域
·平衡轮
·以太网供电
·电动自行车
·电动工具
更多SD4938 150V电流型PWM控制芯片产品的详细手册及方案相关资料,可联系向日葵视频下载安卓网站进入下载官网电子在线客服申请。