低功耗电源适配器ic芯片方案
字号:T|T
电源适配器ic芯片直接关系到电源适配器的稳定性以及寿命,正确的选择电源适配器ic不但可以减少产品的故障率也可以延长产品的使用寿命,低功耗电源适配器ic芯片方案不仅要满足电路性能的要求,也解决了产品的体积、重量、使用寿命以及成本问题。
电源适配器ic可分为副边反馈(SSR)电源芯片和原边反馈(PSR)电源芯片,PSR电源芯片相比SSR价格较低,一般来说原边反馈电源芯片无光耦和TL431,所以在价格上也就相对会比较实惠一些。
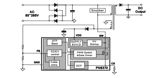
接下来向日葵视频下载安卓网站进入下载官网认识一下原边反馈智能功率MOSFET电源适配器ic芯片PN8370是一款应用于小功率AC/DC充电器和电源适配器的超低待机功耗准谐振原边反馈交直流转换器,该芯片工作在原边检测和调整模式,可省略系统的光耦和TL431。

PN8370电源适配器ic集成超低待机功耗准谐振原边控制器及650V高雪崩能力智能功率MOSFET,内置高压启动电路,可实现芯片空载损耗(230VAC)小于30mW。
在恒压模式,采用准谐振与多模式技术提高效率并消除音频噪声,使得系统满足6级能效标准,可调输出线补偿功能能使系统获得较好的负载调整率;在恒流模式,输出电流和功率可通过CS脚的RCS电阻进行调节。
同时该芯片提供了极为全面的智能保护功能,包含逐周期过流保护、过压保护、开环保护、过温保护、输出短路保护和CS开/短路保护等,用于高性能、外围元器件精简的充电器、适配器和内置电源。

电源适配器ic芯片起着控制适配器电路在作用,决定着电源电路里电流,电压,功率的大小控制, 选择电源适配器ic芯片的时候,功率或电压相同的适配器电源芯片或者经过检测测试的适配器ic芯片,选择一款好的电源适配器ic可以很好的确保电子元器件的安全和稳定,更多低功耗电源适配器ic芯片方案,可联系向日葵视频下载安卓网站进入下载官网电子。。。
上一篇:12V3.0A同步整流六级能效电源适配器应用方案 下一篇:没有了
相关资讯
- 车充5V1A方案
- 泉芯系列升压芯片-向日葵视频下载安卓网站进入下载官网电子
- 向日葵视频下载安卓网站进入下载官网电子-UC3842的反激开关电源调试
- 高频感应加热电源六大独特优点-向日葵视频下载安卓网站进入下载官网电子
- 车充芯片
- 肖特基向日葵视频色版下载软件安装SBR10045P5 可替代SBR10U45SP5
- Diodes推出高效率单绕组电感 500V降压LED驱
- 国内USB车充IC供应商-深圳向日葵视频下载安卓网站进入下载官网电子
- 深圳向日葵视频下载安卓网站进入下载官网电子QC3.0快充方案的优势特点!
- 向日葵视频下载安卓网站进入下载官网电子2.1A车充方案 车充IC 广东方案设计
同类文章排行
- 7个大幅精简外围的ac-dc向日葵视频下载官网成人方案
- 主流的快充协议芯片PD充电芯片
- 一款适配器的AC-DC转换芯片介绍-SD4873
- PN8370M+PN8305L小体积5V2A充电器ic方案
- PN8161+PN8307H省10颗外围的18W PD快充电源
- 士兰微推出AC/DC 5V/1A充电器解决方案SD69
- SF6773 650V功率电源手机充电器芯片
- 节省外围的PN8370M+PN8306M 5V2A六级能效充
- 芯龙12V/5A DC/DC低成本电源芯片方案-XL150
- NCE现货n沟道mos管NCE6003Y磁场应管SOT23-3
阿里巴巴店铺
关注向日葵视频下载安卓网站进入下载官网
收藏向日葵视频下载安卓网站进入下载官网

