芯朋微PN836X系列电源充电器、适配器IC
字号:T|T
深圳向日葵视频下载安卓网站进入下载官网电子是芯朋微深圳IC代理,主要产品有充电器、适配器、小家电、LED等电源IC,下面向日葵视频下载安卓网站进入下载官网主要来了解一下充电器、适配器IC系列的。
高集成QR-PSR AC-DC芯片——PN836X系列(8366/8368/8369/8370)
产品特点:
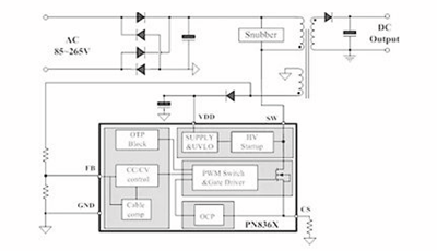
1. PN836X系列由准谐振多模式PSR控制器及高压智能功率MOSFET组成,专用于高可靠、六级能效、极简外围的充电器、适配器及内置电源,输出功率为5~12W,SOP7/DIP8封装;
2. 内置输入电压补偿,无需额外环路补偿电容,可编程输出线电压补偿;全电压范围±3%的CC/CV精度;
3. 齐备的智能保护功能,包括OTP、OLP、OCP、OVP、UVLO、所有外围元件加工的开短路保护、输出开短路保护等;
六项设计专利特色:
1. 集成650~800V高雪崩的智能功率MOSFET(专利),电压、温升De-rating裕量充足;
2. 集成两级高压启动MOS模块(专利),配合极低工作电流,满足待机功耗小于30mW;
3. 集成高压比例电流采样MOS电路(专利),防止CS/FB外接元件短路炸机;
4. 采用自适应谷底开通(专利)和多模式PFM+PWM+QR技术提高平均效率;
5. 采用逐级限频电路(专利),大幅改善PSR环路动态特性,EFT满足5KV;
6. 采用多段栅驱动电路(专利),显著改善开关过冲特性,EMI裕量更充裕;
典型应用图


Chipown自2015年初推出该系列产品以来,已得到大批充电器、适配器电源行业客户的承认和批量,尤其在12V1A、5V2A、去RCD的5V1A等规格应用中,因其BOM集成度高、容易过安规、简洁可靠而深受欢迎。如需详细了解可以咨询深圳向日葵视频下载安卓网站进入下载官网电子!
同类文章排行
- 芯龙12V/5A DC/DC低成本电源芯片方案-XL150
- TK10A60D场效应晶体管MOS管开关稳压器的应
- 一款适配器的AC-DC转换芯片介绍-SD4873
- PN8147内置MOS管AC-DC电源适配器IC方案-芯
- UC3842的占空比调节-向日葵视频下载安卓网站进入下载官网电子
- UC3842当中2脚的使用-向日葵视频下载安卓网站进入下载官网电子
- SF6773 650V功率电源手机充电器芯片
- 向日葵视频下载安卓网站进入下载官网电子5V转12V升压芯片-XL6019
- NCE现货n沟道mos管NCE6003Y磁场应管SOT23-3
- fp6601q电路图_fp6601q规格书_fp6601q
阿里巴巴店铺
关注向日葵视频下载安卓网站进入下载官网
收藏向日葵视频下载安卓网站进入下载官网

