TM1650/AIP1650替换芯片GN1650共阴极八段数码管驱动
字号:T|T
GN1650采用DIP16封装是2线串口共阴极八段数码管驱动芯片,内置时钟振荡电路及上电复位电路,提供8段×4位显示模式,8级亮度控制,支持3V-5.V电源电压、键盘扫描7×4bit及4个组合按键,可以直接代换兼容天微TM1650及中微AIP1650。
GN1650共阴极八段数码管驱动芯片引脚排列图

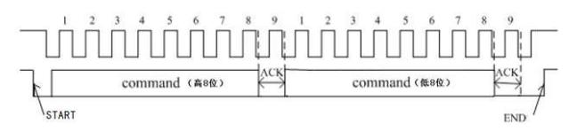
电路通信端口采用了类似于1C的通信方式,微处理器的数据通过两线总线接口和电路通信在输入数据时,电路在CLK的上升沿锁存数据,故当CLK是高电平时,DO上的信号必须保持不变只有CLK上的时钟信号为低电平时,DO上的信号才能改变,且DO不能在CLK的下降沿改变。数据输入的开始条件是当CLK为高电平时,DO由高变低:结束条件是当CLK为高时,DIO由低电平变为高电平。
电路的数据传输带有应答信号ACK,在传输数据的过程中,在时钟线的第九个时钟芯片内部会产生一个应答信号ACK将DO管脚拉低。无论是命令写入或者是数据写入读出时,在一个8位字节后的第9位都是ACK信号输出。

指令传输为16位格式,指令数据传输过程如上图所示。数据和命令在传输时,先传送高位,再传送低位,CLK上升沿锁存数据,DO不能在CLK为高电平时变化,也不要在CLK下降沿变化,而是在CLK为低电平时改变。
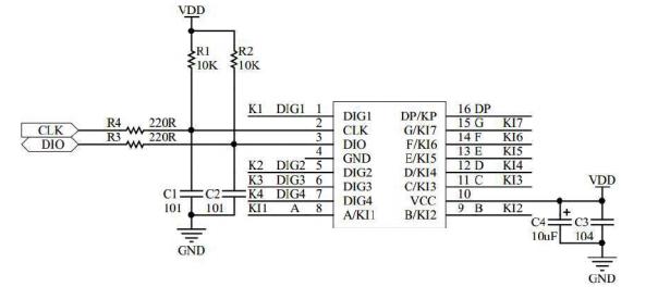
tm1650替换芯片GN1650典型应用线路图

tm1650/AIP1650替换芯片GN1650共阴极八段数码管驱动芯片内部集成有MCU输入输出控制数字接口、数据锁存器、LED驱动、键盘扫描、辉度调节等电路,性能稳定、质量可靠、抗干扰能力强,可适应于24小时长期连续工作的应用场合,更多GN1650替换天微TM1650及中微AIP1650芯片电特性、功能介绍及详细手册请向向日葵视频下载安卓网站进入下载官网电子申请。>>
同类文章排行
- ap8022代换viper22a可兼容,不改PCB及外围
- 电源芯片sdh8302s可PIN脚代换VIPER12A/AP80
- 什么是MOS管的雪崩及mos管雪崩击穿原理!
- 常用dc-dc降压芯片推荐
- 国产向日葵视频下载官网成人有哪些?
- IR4427替换芯片ID1127双低侧、大电流驱动,
- sdh8303代换viper22a/AP8012H,PIN脚兼容无
- PN555L内置690V小功率非隔离芯片可替PN8008
- 常用低压mos管型号及选型!
- 开关电源原边反馈(PSR)技术深度解析!
阿里巴巴店铺
关注向日葵视频下载安卓网站进入下载官网
收藏向日葵视频下载安卓网站进入下载官网

