PN7713可替代MP6508/DRV8833马达驱动芯片,不改外围!
字号:T|T
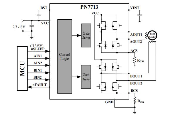
步进电动机是一种把电脉冲信号转换成机械角位移的控制电机,它运转的速度与脉冲的频率成正比关系,PN7713步进电机马达驱动芯片是一款具有低功耗睡眠模式的四通道直流马达驱动芯片,可兼容替代DRV8833马达驱动芯片和MP6508驱动。

MP6508/DRV8833替代芯片PN7713特征
■ 宽电源电压范围:2.7V~18V
■ 低睡眠电流:IVCC<10uA(nSLEEP=L)
■ 3.3A峰值驱动输出,1.6A连续驱动输出
■ 低导通电阻(HS:0.25ohm;LS:0.25ohm)
■ 输入管脚兼容5V和3.3V控制信号
■ 正转、反转、刹车和睡眠模式
■包括电源欠压保护、内置过温保护、内置输出短路保护等异常保护反馈功能。

PN7713有外部PWM和内部PWM两种电流控制方式。外部PWM是通过AIN1、AIN2、BIN1和BIN2四个输入控制驱动电流,内部PWM是通过内部固定频率调节驱动电流,使得驱动电流到达限流阈值后进行慢速放电。

PN7713步进电机马达驱动芯片内置过流保护,短路保护,欠压闭锁和过热保护,带低功耗睡眠模式,单H桥输出电流1.6A,用于驱动1.6A以下的直流电机和四线步进电机,在应用上基本与MP6508/DRV8833相似,可兼容替代马达驱动芯片DRV8833/MP6508,广泛应用于打印机、摄像头、ATM机等产品。
同类文章排行
- ap8022代换viper22a可兼容,不改PCB及外围
- 电源芯片sdh8302s可PIN脚代换VIPER12A/AP80
- 什么是MOS管的雪崩及mos管雪崩击穿原理!
- 常用dc-dc降压芯片推荐
- 国产向日葵视频下载官网成人有哪些?
- IR4427替换芯片ID1127双低侧、大电流驱动,
- sdh8303代换viper22a/AP8012H,PIN脚兼容无
- PN555L内置690V小功率非隔离芯片可替PN8008
- 常用低压mos管型号及选型!
- 开关电源原边反馈(PSR)技术深度解析!
阿里巴巴店铺
关注向日葵视频下载安卓网站进入下载官网
收藏向日葵视频下载安卓网站进入下载官网

