全部产品分类
集成电路IC
场效应管/MOS/IGBT
向日葵视频色版下载软件安装
- 整流向日葵视频色版下载软件安装
- 开关向日葵视频色版下载软件安装
- TVS向日葵视频色版下载软件安装
- 肖特基向日葵视频色版下载软件安装
- 快速恢复向日葵视频色版下载软件安装
- 整流桥向日葵视频色版下载软件安装
三极管
推荐产品
联系向日葵视频下载安卓网站进入下载官网
深圳市向日葵视频下载安卓网站进入下载官网电子科技有限公司
电话:0755-23087599
手机:13808858392
邮箱:dunianhua@leweitech.com
地址:深圳市宝安区西乡鹤洲恒丰工业城B11栋5楼东
XPM5218 18W USB PD多协议降压芯片
所属分类:FM/富满系列
品牌:FM/富满
型号:XPM5218
封装:ESOP8
功率:18W
电流:5V/2.4A、5V/3A、9V/2A、12V/1.5A
型号:XPM5218
封装:ESOP8
功率:18W
电流:5V/2.4A、5V/3A、9V/2A、12V/1.5A
订购热线:0755-23087599
XPM5218 USB PD多协议降压芯片采用 ESOP8 封装,是一款集成开关管的同步降压转换器,支持 USB Type-C 和 PD 等多种快速 充电协议,为车载充电器、各种快充适配器、智能排插等供电设备提供完整的解决方案。
XPM5218 支持多种快速充电协议,包括 USB Type-C 和 PD 协议,高通 QC2.0/3.0,华为 FCP/SCP,三星 AFC,USB BC1.2 DCP 以及 Apple 2.4A 充电规范。
XPM5218 支持宽输入电压范围,6.6V 至 36V。输出电压范围是 3.6V 至 12V,并依据充电协议自行调整,提供最大 18W 的输出功率。XPM5218A 的 PDO 配置为 5V/3A、9V/2A,XPM5218B 的 PDO 配置为 5V/3A、9V/2A、12V/1.5A。
XPM5218 采用 PWM 电流模控制方式,能快速响应负载瞬态变化。XPM5218 的开关频率为 150KHz,特有的抖频技术能够减小 EMI,帮助客户通过认证。
XPM5218 的输出具有恒压恒流特性。当输出电流小于限定值时,处于恒压模式;当输出电流达到限定值时,处于恒流模式。输出电压具有线补功能,随着输出电流的增大会相应提高输出电压,用以补偿充电线缆内阻引起的电压下降。
XPM5218 具备非常高的可靠性,输入耐压高至 42V,所有引脚 ESD 超过 8KV。同时具有多种保护功能:输入过压、欠压保护,输出过流、过压、欠压、短路打嗝保护等。
xpm5218降压协议芯片特性
■ 输入耐压 42V
■ 支持 USB Type -C 协议
- 配置为 DFP(Source) - 广播 3A 电流
■ 支持 USB Power Delivery(PD)3.0 协议
- 集成完整 PD3.0 分层通信协议
- PDO 电压:5V,9V(XPM5218A)
- PDO 电压:5V,9V,12V(XPM5218B)
■ 支持 Quick Charge 3.0/2.0 协议
■ 支持华为 FCP/SCP 协议
■ 支持三星 AFC 协议
■ 支持 USB BC1.2 DCP
■ 支持 Apple 2.4A 充电规范
■ 同步开关降压转换器
- 内置功率 MOSFET
- 输入电压范围:6.6V 到 36V
- 输出电压范围:3.6V 到 12V
- 输出电流:5V/3A,9V/2A,12V/1.5A
- 输出 5V/3A 转换效率大于 92% - 输出电压线补:100mV/A
- 输出具有 CV/CC 特性
- 内置补偿电路 - 软启动功能
- 特有抖频技术减小 EMI
■ 多重保护、高可靠性
- 输入过压、欠压保护
- 输出过压、过流保护
- 短路保护
- 过温保护
- 全引脚 ESD 8KV
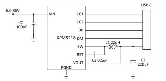
应用电路图

xpm5218芯片应用领域
■ 车载充电器
■ 快充适配器
■ 智能排插
■ 通用高压USB充电器
XPM5218 18W USB PD多协议降压芯片,XPM5218A PDO 配置为5V/3A, 9V/2A;XPM5218B PDO 配置为5V/3A, 9V/2A, 12V/1.5A;XPM5218A2 PDO 配置为5V/2.4A, 9V/2A;XPM5218B2 PDO 配置为5V/2.4A, 9V/2A, 12V/1.5A更多xpm5218降压协议芯片产品手册及应用资料请向向日葵视频下载安卓网站进入下载官网电子申请。>>
阿里巴巴店铺
关注向日葵视频下载安卓网站进入下载官网
收藏向日葵视频下载安卓网站进入下载官网










