全部产品分类
集成电路IC
场效应管/MOS/IGBT
向日葵视频色版下载软件安装
- 整流向日葵视频色版下载软件安装
- 开关向日葵视频色版下载软件安装
- TVS向日葵视频色版下载软件安装
- 肖特基向日葵视频色版下载软件安装
- 快速恢复向日葵视频色版下载软件安装
- 整流桥向日葵视频色版下载软件安装
三极管
推荐产品
联系向日葵视频下载安卓网站进入下载官网
深圳市向日葵视频下载安卓网站进入下载官网电子科技有限公司
电话:0755-23087599
手机:13808858392
邮箱:dunianhua@leweitech.com
地址:深圳市宝安区西乡鹤洲恒丰工业城B11栋5楼东
XPD977 65W快充协议芯片2A+C 三端口控制器
所属分类:FM/富满系列
品牌:FM/富满
型号:XPD977
封装:QFN5X5-32
功率:65W
电流:5V,9V,12V,15V,20V
型号:XPD977
封装:QFN5X5-32
功率:65W
电流:5V,9V,12V,15V,20V
订购热线:0755-23087599
XPD977 65W和65W以内快充协议芯片系列是XPD-LINK™互联USB 三端口控制器,将传统协议芯片外置的VBUS开关管和电流取样电阻集成在协议芯片内部,并且集成了A口的快充协议功能以及用于多口协议分配的单片机芯片,支持一个USB-C、两个USB-A接口,并且每个接口都支持快充输出的的快充协议芯片,将传统多颗协议芯片才能完成的功能整合成一颗芯片,简化充电器的开发并降低成本。
XPD977芯片特性
■ 通过 USB PD3.0 认证(TID:5594)
■ 支持 XPD-LINKTM多芯片互联通信技术
■ 支持 USB Type-C 协议
■ 支持 USB Power Delivery(PD)3.0 以及PPS 协议
- PDO 可配置:5V,9V,12V,15V,20V
- 输出功率高至 65W
- APDO 可配置:5V Prog,9V Prog,15V Prog,20V Prog
■ 支持 Quick Charge 2.0/3.0/3.0+协议
- 支持小米 CHARGE TURBO 27W 协议
■ 支持华为 FCP/SCP/HVSCP 协议
- 支持华为 10V 高压 SCP 协议
■ 支持三星 AFC 协议
■ 支持 VOOC 2.0 协议
■ 支持 USB BC1.2 DCP
■ 支持 Apple 2.4A 充电规范
■ 集成 CC、CV 控制环路
■ 集成 10mΩ VBUS 通路功率开关管
■ 集成 10mΩ电流检测电阻
■ 内置 VPWR 和 VBUS 双放电通路
■ 支持线损补偿功能
■ 支持 USB Type-A 和 Type-C 双口工作模式
-独立工作都有快充,同时工作回 5V
- A 口连接苹果充电线但未接入苹果手机时,C 口仍然有快充
■ A 口充饱关断电流阈值 10mA,小电流充电
■ 支持在线升级
■ 安全性
- A 口采用电源端控制避免短路引发漏电
- 过压/欠压保护
- 过流保护
- 过温保护
■ CC1/CC2/DP1/DM1/DP2/DM2 过压保护
■ ESD 特性±4KV
■ Package:QFN5X5-32
引脚封装定义

XPD977系列概述
XPD977 是一款集成 USB Type-C、USB Power Delivery(PD) 3.0/2.0 以及 PPS、QC3.0/2.0CLASS B 快充协议、华为 FCP/SCP 快充协议、三星 AFC 快充协议、VOOC 2.0 快充协议、BC1.2 DCP 以及苹果设备 2.4A 充电规范的多功能 USB 三端口控制器,为 AC-DC适配器、移动电源、车载充电器等设备提供完整的 Type-C 和 Type-A 三端口充电解决方案。
XPD977集成了 XPD-LINK™互联通信技术。通过 XPD-LINK™互联功能,XPD977 可以简单灵活的应用在多个 Type-C 和 Type-A 端口的充电方案中。
内置的TYPE-C 协议可以支持 TYPE-C 设备插入自动唤醒系统,智能识别插头的正插与反插,并实现连接。集成的 TYPE-C PD3.0 协议支持双向标记编码(BMC),集成硬件的物理层协议和协议引擎,无需软件参与编解码。 当 Type-C 和 Type-A 其中一个端口接入设备时,Type-C 或 Type-A 端口都可以实现独立的快充功能。当 Type-C 和 Type-A 都接入设备时,XPD977 会将输出电压降至 5V 给设备供电,其中 Type-C 端口 PD 只广播 5V/3A,保留 BC1.2 以及 Apple 2.4A,而 Type-A 端口则只保留 Apple 2.4A。特别的,当 Type-A 口一直连接苹果充电线但未接入苹果手机时,Type-C 口仍然有快充功能。作为充电器应用时,充电线会经常与充电器连接在一起。
完美解决了 Type-A 和 Type-C 口连接充电线应用时的快充难题。此外,Type-A 口充饱关断电流阈值低至 10mA,可支持智能穿戴设备小电流充电。
XPD977 通过一路可 Sink/Source 的电流源,连接到 AC-DC 或 DC-DC 的反馈引脚实现动态调节电压的功能,不管是启动还是调压过程,都具备软启动/调压功能,实现电压平顺过渡。
XPD977 内部集成 CC 环路控制,在共享电源下可以有效的控制总电流缓解前端电源压力,支持二次烧录,可实现在线升级。
内建多种保护机制确保设备安全:包括动态过压/欠压/过流保护(可根据设备请求的工作电压/电流按照比例调整保护点);启动监测(VBUS 输出前会监测端口电压是否处于安全状态)。
XPD977 集成 10mΩ VBUS 通路功率开关管和内部放电通路,节省了外围器件,在发生错误时可以快速关闭输出并恢复到安全状态。
采用 QFN5x5-32 封装。应用中外围电路非常简洁,可以轻松通过 USB PD 认证测试。
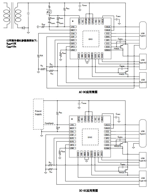
典型应用电路图

应用领域
■ AC-DC 适配器
■ 带 USB 端口排插
■ USB 多口充电设备
XPD977芯片系列订购信息
| 料号 | USB Type-C 端口 PDO 和 APDO 配置 | QC 配置 | 包装 |
| XPD977B18 | 高功率 PDO:5V/3A, 9V/2A, 12V/1.5A | Class A |
QFN32 5K/盘 |
| 低功率 PDO:5V/3A | |||
|
XPD977BP18 |
高功率 PDO:5V/3A, 9V/2A, 12V/1.5A 高功率 APDO1:3.3-5.9V/3A 高功率 APDO2:3.3-11V/1.65A 低功率 PDO:5V/3A |
Class A |
|
| XPD977A |
高功率 PDO:5V/3A, 9V/2.22A 低功率 PDO:5V/3A |
Class A | |
| XPD977B |
高功率 PDO:5V/3A, 9V/2.22A, 12V/1.67A 低功率 PDO:5V/3A |
Class A | |
| XPD977BV | 高功率 PDO:5V/3A, 9V/2.22A, 12V/1.67A 支持 VOOC | Class A | |
| 低功率 PDO:5V/3A | |||
| XPD977D30A |
高功率 PDO:5V/3A,9V/3A,12V/2.5A,15V/2A,20V/1.5A 低功率 PDO:5V/3A |
Class B | |
| XPD977D30 |
高功率 PDO:5V/3A,9V/3A,12V/2.5A,15V/2A,20V/1.5A 低功率 PDO:5V/3A, 9V/1.75A |
Class A | |
|
XPD977DP30 |
高功率 PDO:5V/3A,9V/3A,12V/2.5A,15V/2A,20V/1.5A 高功率 APDO1:3.3-11V/3A 高功率 APDO2:3.3-16V/2A 低功率 PDO:5V/3A, 9V/1.75A |
Class A |
|
| XPD977D45 |
高功率 PDO:5V/3A,9V/3A,12V/3A,15V/3A,20V/2.25A 低功率 PDO:5V/3A, 9V/2.5A, 12V/2A, 15V/1.5A |
Class A | |
|
XPD977DP45 |
高功率 PDO:5V/3A,9V/3A,12V/3A,15V/3A,20V/2.25A 高功率 APDO1:3.3-11V/3A 高功率 APDO2:3.3-16V/2.8A 低功率 PDO:5V/3A, 9V/2.5A, 12V/2A, 15V/1.5A 低功率 APDO1:3.3-11V/2A 低功率 APDO2:3.3-16V/1.4A |
Class A |
|
| XPD977D60 |
高功率 PDO:5V/3A, 9V/3A, 12V/3A, 15V/3A, 20V/3A 低功率 PDO:5V/3A,9V/3A,12V/2.5A,15V/2A,20V/1.5A |
Class B | |
|
XPD977DP60 |
高功率 PDO:5V/3A, 9V/3A, 12V/3A, 15V/3A, 20V/3A 高功率 APDO1:3.3-16V/3A 高功率 APDO2:3.3-21V/2.85A 低功率 PDO:5V/3A,9V/3A,12V/2.5A,15V/2A,20V/1.5A 低功率 APDO1:3.3-16V/1.9A 低功率 APDO2:3.3-21V/1.4A |
Class B |
|
| XPD977D65 |
高功率 PDO:5V/3A,9V/3A,12V/3A,15V/3A,20V/3.25A 低功率 PDO:5V/3A,9V/3A,12V/2.5A,15V/2A,20V/1.5A |
Class B | |
|
XPD977DP65 |
高功率 PDO:5V/3A,9V/3A,12V/3A,15V/3A,20V/3.25A 高功率 APDO1:3.3-16V/3.25A 高功率 APDO2:3.3-21V/3A 低功率 PDO:5V/3A,9V/3A,12V/2.5A,15V/2A,20V/1.5A 低功率 APDO1:3.3-16V/2A 低功率 APDO2:3.3-21V/1.5A |
Class B |
|
| XPD977D6545 |
高功率 PDO:5V/3A,9V/3A,12V/3A,15V/3A,20V/3.25A 低功率 PDO:5V/3A,9V/3A,12V/3A,15V/3A,20V/2.25A |
Class B | |
|
XPD977DP6545 |
高功率 PDO:5V/3A,9V/3A,12V/3A,15V/3A,20V/3.25A 高功率 APDO1:3.3-16V/3.25A 高功率 APDO2:3.3-21V/3A 低功率 PDO:5V/3A,9V/3A,12V/3A,15V/3A,20V/2.25A 低功率 APDO1:3.3-16V/2.8A 低功率 APDO2:3.3-21V/2.1A |
Class B |
|
| XPD977D6518 |
高功率 PDO:5V/3A,9V/3A,12V/3A,15V/3A,20V/3.25A 低功率 PDO:5V/3A,9V/2A,12V/1.5A |
Class A |
XPD977芯片系列采用QFN5*5-32封装,支持最高输出 65W,单颗芯片 XPD977 实现 1C2A 模式,用于2A1C三口输出时,外围仅需增添对应的PMOS以及电流取样电阻即可实现多口快充协议支持,更多快充协议芯片18W-100W选型技术方案产品手册及相关应用资料请向向日葵视频下载安卓网站进入下载官网电子申请。>>
阿里巴巴店铺
关注向日葵视频下载安卓网站进入下载官网
收藏向日葵视频下载安卓网站进入下载官网










