全部产品分类
集成电路IC
场效应管/MOS/IGBT
向日葵视频色版下载软件安装
- 整流向日葵视频色版下载软件安装
- 开关向日葵视频色版下载软件安装
- TVS向日葵视频色版下载软件安装
- 肖特基向日葵视频色版下载软件安装
- 快速恢复向日葵视频色版下载软件安装
- 整流桥向日葵视频色版下载软件安装
三极管
推荐产品
联系向日葵视频下载安卓网站进入下载官网
深圳市向日葵视频下载安卓网站进入下载官网电子科技有限公司
电话:0755-23087599
手机:13808858392
邮箱:dunianhua@leweitech.com
地址:深圳市宝安区西乡鹤洲恒丰工业城B11栋5楼东
AIP1620 led数码管驱动芯片
所属分类:优势产品
品牌:无锡中微
型号:AIP1620
封装:SOP-20
功率:8 段×6 位~10 段×4 位
电流:
型号:AIP1620
封装:SOP-20
功率:8 段×6 位~10 段×4 位
电流:
订购热线:0755-23087599
AIP1620 led数码管驱动芯片是LED(发光向日葵视频色版下载软件安装显示器)驱动控制专用电路,内部集成有 MCU 数字接口、数据锁存器、LED 高压驱动等电路。AIP1620性能优良,质量可靠。主要应用于VCR、VCD、DVD 及家庭影院等产品的显示屏驱动。
aip1620功能特点
■ 采用功率 CMOS 工艺
■ 显示模式(8 段×6 位~10 段×4 位)
■ 辉度调节电路(占空比 8 级可调)
■ 串行接口(CLK,STB,DIO)
■ 振荡方式:内置 RC 振荡(450KHz±5%)
■ 内置上电复位电路
■ 封装形式:SOP-20
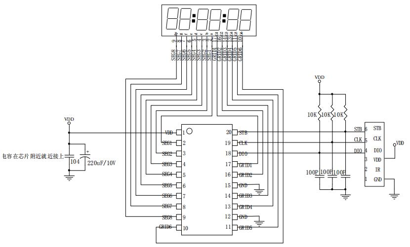
管脚排列及说明

| 符号 | 管脚名称 | 说明 |
| DIO | 数据输入/输出 | 在时钟上升沿输入串行数据,从低位开始。输出为N-ch open drain,且内部集成上拉电阻 20K 左右。 |
| STB | 片选 | 在上升或下降沿初始化串行接口,随后等待接收指令。STB为低后的第一个字节作为指令,当处理指令时,当前其它处理被终止。当 STB 为高时,CLK 被忽略。 |
| CLK | 时钟输入 | 在上升沿读取串行数据,下降沿输出数据。 |
| SEG1~SEG8 | 输出(段) | 段输出(也用作键扫描),P 管开漏输出。 |
| GRID1~GRID4 | 输出(位) | 位输出,N 管开漏输出。 |
| GRID5~GRID6 | 输出(位) | 位复用输出 |
| VDD | 逻辑电源 | 电压电源5V±10% |
| GND | 逻辑地 | 接系统地 |
典型应用线路图

AIP1620是3线串口共阴极8段6位或10段4位LED驱动控制专用电路,在应用中可兼容替换TM1620 led数码管驱动芯片,更多aip1620 数据手册、电气特性、开关特性、时序特性等相关资料请向向日葵视频下载安卓网站进入下载官网电子申请。>>
阿里巴巴店铺
关注向日葵视频下载安卓网站进入下载官网
收藏向日葵视频下载安卓网站进入下载官网










