全部产品分类
集成电路IC
场效应管/MOS/IGBT
向日葵视频色版下载软件安装
- 整流向日葵视频色版下载软件安装
- 开关向日葵视频色版下载软件安装
- TVS向日葵视频色版下载软件安装
- 肖特基向日葵视频色版下载软件安装
- 快速恢复向日葵视频色版下载软件安装
- 整流桥向日葵视频色版下载软件安装
三极管
推荐产品
联系向日葵视频下载安卓网站进入下载官网
深圳市向日葵视频下载安卓网站进入下载官网电子科技有限公司
电话:0755-23087599
手机:13808858392
邮箱:dunianhua@leweitech.com
地址:深圳市宝安区西乡鹤洲恒丰工业城B11栋5楼东
XB7608AFJ系列产品是一种锂离子/聚合物电池保护的高集成解决方案。
XB7608AFJ锂离子电池保护ic包含先进的功率模式、高精度电压检测电路和延迟电路。
XB7608AFJ采用超小型CPC5封装,只有一个外部组件,是电池组空间有限的理想解决方案。
XB7608AFJ具有电池应用中所需的所有保护功能,包括过充、过放电、过电流和负载短路保护等。准确的过充电检测电压确保了充电安全、充分利用。低备用电流在存储时排出很少的电流。
该设备不仅是针对数字手机,而且也适用于任何其他需要长期电池寿命的锂离子和锂聚电池驱动的信息电器。
XB7608AFJ特点
■ 充电器反向连接保护
■ 电池芯反向连接的保护
■ 集成先进功率与14mΩRSS(ON)
■ CPC5封装
■ 只需要一个外部电容器
■ 过热保护
■ 过充电电流保护
■ 两步过电流检测:a.过放电电流 b.负载短路
■ 充电器检测功能
■ 0V蓄电池充电功能
■ 延迟时间会在内部生成
■ 高精度的电压检测
■ 低电流消耗量
■ 工作模式: 3.5μ A典型。
■ 断电模式:1.6μA典型。
■ 符合RoHS标准,无铅(Pb)
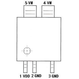
xb7608af脚位图及引脚的说明

| 引脚序号 | 引脚名称 | 引脚功能 |
| 1 | VDD | 电源供应 |
| 2,3 | GND | 接地后,将蓄电池的负极终端连接到此针脚上 |
| 4,5 | VM | 电池组的负极端子。内部FET开关将此端子连接到GND请将这些针与大量金属连接 |
典型电路应用图

应用领域
■ 单电池锂离子电池组
■ 锂基聚合物电池组
XB7608AFJ单芯锂离子/聚合物电池保护IC,采用CPC5封装,内部集成先进功率与14mΩRSS(ON),在单电池锂离子电池组、锂基聚合物电池组应用中,只需要一个外部电容器,更多XB7608AFJ 锂离子电池保护ic详细手册或其它资料,请向向日葵视频下载安卓网站进入下载官网电子申请。>>
阿里巴巴店铺
关注向日葵视频下载安卓网站进入下载官网
收藏向日葵视频下载安卓网站进入下载官网










