全部产品分类
集成电路IC
场效应管/MOS/IGBT
向日葵视频色版下载软件安装
- 整流向日葵视频色版下载软件安装
- 开关向日葵视频色版下载软件安装
- TVS向日葵视频色版下载软件安装
- 肖特基向日葵视频色版下载软件安装
- 快速恢复向日葵视频色版下载软件安装
- 整流桥向日葵视频色版下载软件安装
三极管
推荐产品
联系向日葵视频下载安卓网站进入下载官网
深圳市向日葵视频下载安卓网站进入下载官网电子科技有限公司
电话:0755-23087599
手机:13808858392
邮箱:dunianhua@leweitech.com
地址:深圳市宝安区西乡鹤洲恒丰工业城B11栋5楼东
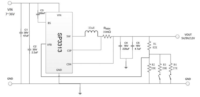
SP3313车充qc降压芯片是一款输入电压,降压转换器,工作在CV(恒定输出电压)模式或CC恒定输出电流)模式。最大输入电压36V,工作输入电压7.5V ~ 32V。
内置35mΩ High-Side及25mΩ Low-Side MOSFET,可以提供高达3.5A的连续输出电流,输出电流精确到±7%以内,可支持100%占空比,无需外部补偿,可以依靠自身内置稳定环路实现恒流以及恒压控制,同时具备线缆压降补偿功能。
SP3313车充降压芯片独立输出电压保护适用于BC1.2和QC2.0/3.0双通道输出电压,是一款功能齐全、高性能、高可靠性的降压式DC-DC变换器。
SP3313车充qc降压芯片特点
■ 极限可支持100%占空比
■ 内置High-side和Low-side MOSFET
■ 最大输出电流:3.5A
■ 可调输出电压,VFB=1.0V
■ 优异的恒流精度:±7%
■ 恒压精度:±2%
■ 内置抖频功能
■ 效率:高达 95%
■ 无需外部补偿
■ 短路保护(SCP)
■ 过压保护(OVP)
■ 过热保护(OTP)
■ 欠压保护(UVLO)
■ 提供 SOP-8L 封装
典型应用电路图

应用领域
■ 车载充电器
■ 壁式充电器
■ 电源板/集线器
■ 便携式充电装置
■ 汽车DVD
■ 黑盒
■ 工业应用
■ 其他
SP3313是一款高输入电压、输出高精度恒压恒流以及支持占空比的DC/DC降压芯片,当用于车充产品时,插入点烟器请尽量利用电源的负极弹片来帮助产品散热,并可以考虑增加弹片与GND的焊接面积,这样弹片在作为负极输入的同时,也可以是系统的一个极好的散热片。更多SP3313 车充qc降压芯片产品手册和应用资料请向向日葵视频下载安卓网站进入下载官网电子申请。>>
阿里巴巴店铺
关注向日葵视频下载安卓网站进入下载官网
收藏向日葵视频下载安卓网站进入下载官网










