向日葵视频下载安卓网站进入下载官网,向日葵视频色版下载软件安装,向日葵视频官方网站下载,向日葵视频下载官网成人

    充电器IC阿里店铺阿里巴巴店铺 led恒流驱动ic专业厂家关注向日葵视频下载安卓网站进入下载官网 电源IC方案公司收藏向日葵视频下载安卓网站进入下载官网 欢迎进入电源ic,led驱动ic,车充ic,充电器ic,适配器ic厂家--向日葵视频下载安卓网站进入下载官网电子官网

    车载充电器IC方案

    高级搜索

    搜索一

    搜索二

    深圳车充IC方案

    推荐产品

    联系向日葵视频下载安卓网站进入下载官网

    深圳车载充电器IC供应商
    深圳市向日葵视频下载安卓网站进入下载官网电子科技有限公司

    电话:0755-23087599

    传真:0755-23082933

    邮箱:yishanbo@leweitech.com

    地址:深圳市宝安区西乡鹤洲恒丰工业城B11栋5楼东

    prevnext

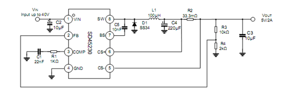
    SD45230

    所属分类:士兰微
    品牌:士兰微
    型号:SD45230
    封装:SOP-8
    功率:12W
    电流:2.4A
    订购热线:0755-23087599
    SD45230产品描述:
    SD45230是一款微型SOP8封装、高效率、可调限流的降压型DC-DC转换芯片。芯片内部包括误差放大器、振荡器、电流比较器、斜坡补偿、电流采样、逻辑驱动等模块,电流误差放大器的内部集成,使得该芯片可以实现恒压恒流控制。峰值电流模式的PWM控制环路以及补偿网络的外部可调,使该芯片可在宽负载范围内提供稳定的输出电压;电流采样端的引出,通过设定采样电阻值,可以简单、精确的实现限流值的外部调节。
    导通电阻150mΩ的MOSFET的内部集成,提供了高的转换效率;内部3.5A的限流值以及短路保护、过温保护避免了芯片在超负荷负载或者温度过热时受到损坏; 120KHz的高频率以及微型SOP-8封装,最大限度的减小了整体解决方案的占板面积。
     
    SD45230产品特点:
    高达2.1A(SD45230RSA)/2.4A(SD45230RJA)的输出电流能力
    输入欠压锁定
    40V的最高工作电压
    120KHZ的开关频率,降低EMI的抖频技术
    拥有专利技术的恒压恒流控制
    拥有专利技的输出电压导线电阻损耗补偿
    限流可调
    过温保护
    纤小型SOP-8/ESOP-8封装

    典型应用图



     
    产品中心 关于向日葵视频下载安卓网站进入下载官网 联系向日葵视频下载安卓网站进入下载官网
    网站地图