全部产品分类
集成电路IC
场效应管/MOS/IGBT
向日葵视频色版下载软件安装
- 整流向日葵视频色版下载软件安装
- 开关向日葵视频色版下载软件安装
- TVS向日葵视频色版下载软件安装
- 肖特基向日葵视频色版下载软件安装
- 快速恢复向日葵视频色版下载软件安装
- 整流桥向日葵视频色版下载软件安装
三极管
推荐产品
联系向日葵视频下载安卓网站进入下载官网
深圳市向日葵视频下载安卓网站进入下载官网电子科技有限公司
电话:0755-23087599
手机:13808858392
邮箱:dunianhua@leweitech.com
地址:深圳市宝安区西乡鹤洲恒丰工业城B11栋5楼东
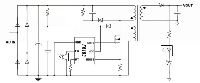
F6183产品描述:
F6183 PWM开关频率是外部可编程可以减少电源的传导EMI发射。同步的斜坡补偿的IC。控制器驱动低门开关设备内置MOSFET因此需要一个非常小的操作能力。由于F6183电流模式控制大大简化了设计可靠、廉价的离线转换器与极低的由脉冲声生成和固有的脉冲控制。软启动功能当前设置点低于给定值例如输出电力需求减少;IC自动进入突发模态在轻负载提供了出色的效率。低成本,高性能方案。
F6183产品特点:
优秀的线和负载调节
极低的没有−负荷备用电源
恒流模式控制
循环通过辅助循环电流限制
恒功率限制
减少和突发模态频率
建立在同步斜坡补偿
内部前沿消隐
内部输出短−电路保护
在频率抖动
无音频噪声操作
VDD OVP &夹& UVLO
所有销浮动保护
内部温度关机
典型应用图

F6183 PWM开关频率是外部可编程可以减少电源的传导EMI发射。同步的斜坡补偿的IC。控制器驱动低门开关设备内置MOSFET因此需要一个非常小的操作能力。由于F6183电流模式控制大大简化了设计可靠、廉价的离线转换器与极低的由脉冲声生成和固有的脉冲控制。软启动功能当前设置点低于给定值例如输出电力需求减少;IC自动进入突发模态在轻负载提供了出色的效率。低成本,高性能方案。
F6183产品特点:
优秀的线和负载调节
极低的没有−负荷备用电源
恒流模式控制
循环通过辅助循环电流限制
恒功率限制
减少和突发模态频率
建立在同步斜坡补偿
内部前沿消隐
内部输出短−电路保护
在频率抖动
无音频噪声操作
VDD OVP &夹& UVLO
所有销浮动保护
内部温度关机
典型应用图

阿里巴巴店铺
关注向日葵视频下载安卓网站进入下载官网
收藏向日葵视频下载安卓网站进入下载官网










