GN1650和tm1650数码管有区别吗?
字号:T|T
GN1650和TM1650有区别吗?GN1650是旌芯半导体的,tm1650数码管是天微电子的,两者出自不同的厂家,但GN1650和TM1650都是共阴数码驱动管,内部集成有 MCU输入输出控制数字接口、数据锁存器、LED 驱动、键盘扫描、辉度调节等电路,是键盘扫描并带部分组合按键功能LED驱动控制专用电路。
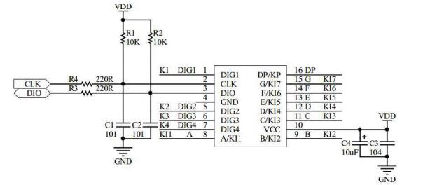
TM1650和GN1650引脚功能

通过上图,向日葵视频下载安卓网站进入下载官网可以看到tm1650数码管和GN1650引脚排列基本一致的,而引脚功能DIG1、DIG2、DIG3、DIG4 是LED段位驱动输出/键盘扫描输出,CLK/SCL是时钟输入端, DIO/SDA是数据输入/输出端,A/KI1、B/KI2、C/KI3、D/KI4、E/KI5、F/KI6、G/KI7也是LED段驱动输出/按键扫描输入,GND接地,VDD电源端,因此GN1650和TM1650引脚功能都是一样的。
GN1650功能特点
■ 两种显示模式:8段×4位和7段×4位
■ 段驱动电流大于25mA,位驱动电流大于150mA
■ 提供8级亮度控制
■ 键盘扫描:7×4bit内部集成三极管驱动
■ 高速两线式串行接口
■ 内置时钟振荡电路
■ 内置上电复位电路
■ 支持2.8V-5.5V电源电压
■ 提供DIP16及SOP16封装

GN1650和tm1650数码管产品功能和引脚是一样的,在不改版的情况下,可以实现PIN对PIN兼容代换,同时GN1650/TM1650性能稳定、质量可靠、抗干扰能力强,可适用于 24 小时长期连续工作的应用场合,广泛被用于家用电器产品如机顶盒、空调、DVD/VCD等显示的驱动领域。更多GN1650详细功能介绍、电特性、典型应用线路图等资料请向向日葵视频下载安卓网站进入下载官网电子申请。>>
同类文章排行
- pn8024可以用pn8034代换吗?
- 电磁炉AP8012电源芯片是否可以viper12a代换
- pd18w快充和20w快充区别?
- 向日葵视频下载官网成人坏的原因有那些?
- 电源芯片发烫的原因及处理措施!
- 充电器控制芯片是用PSR还是SSR?
- 手机电源ic芯片坏了怎么办?
- 充电时电源ic会发烫是怎么回事?
- 一片晶圆可以生产多少芯片?
- 电源隔离芯片与非隔离电源芯片优缺点分析!
阿里巴巴店铺
关注向日葵视频下载安卓网站进入下载官网
收藏向日葵视频下载安卓网站进入下载官网

